
鼎力晟業(yè)是SKF進口軸承代理,銷售SKF NKX30軸承,不僅具備價格優(yōu)勢,而且在供貨及時性、供貨能力方面具有比較優(yōu)勢,能在最短的時間內為用戶提供原裝進口的SKF NKX30軸承。
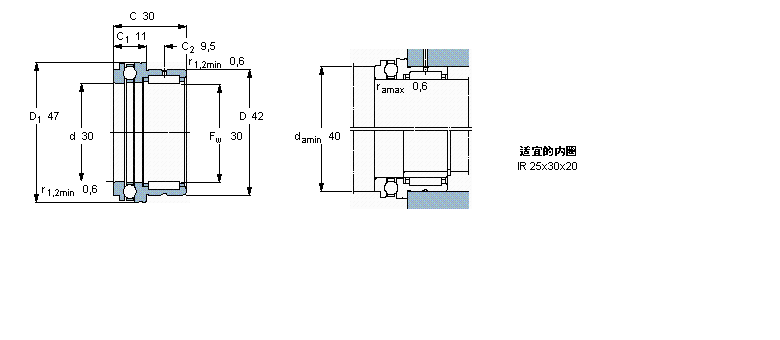
型號:NKX30
品牌:SKF
內徑:30
外徑:42
厚度:30
系列:組合式滾針軸承, 滾針/推力球軸承
【
手機版 NKX30軸承
點擊量
更新日期:2021/12/28
】
電話:020-36026999 傳真:020-36705678 服務熱線:18924187999 郵箱:sales@gzbearing.cn
| 組合式滾針軸承, 滾針/推力球軸承 | ||||||||||||||
| 公差 , 參見文字 | ||||||||||||||
| 徑向內部游隙 , 參見文字 | ||||||||||||||
| 推薦配合 | ||||||||||||||
| 軸和軸承座公差 | ||||||||||||||
|
|
||||||||||||||
| 主要數據尺寸 | 基本負荷額定值 | 疲勞負荷限值 | 最小負荷系數 | 額定速度 | 體積 | 型號 | ||||||||
| 徑向 | 軸向 | 參照速度 | 限制速度 | |||||||||||
| 動態(tài) | 靜態(tài) | 動態(tài) | 靜態(tài) | 徑向 | 軸向 | |||||||||
| Fw | D | C | C | C0 | C | C0 | Pu | Pu | A | |||||
|
|
||||||||||||||
| mm | kN | kN | - | r/min | kg | - | ||||||||
|
|
||||||||||||||
| 30 | 42 | 30 | 22,9 | 39 | 20,3 | 45,5 | 4,8 | 1,7 | 0,01 | 6000 | 8500 | 0,14 | NKX 30 | |
HSB022C軸承 UCF207軸承 NJ412-M1+HJ412軸承 NK5/12TN軸承 2210K+H310軸承 51236M軸承 22320EAKE4軸承 6000LU軸承 7228BDB軸承 C7018FB/P7軸承 52234-MP軸承 23220CE4軸承 BK2526軸承 23060-K-MB+AH3060軸承 VJ-PDRJ318軸承 7213C/DF軸承 H3080軸承 SNL3236軸承 NU236軸承 UCFL324軸承