
購買SKF NKX15軸承,及NKX15軸承同系列產品,或者SKF公司其他產品,請聯(lián)系SKF進口軸承代理-鼎力晟業(yè),我們提供準時高效的服務。
型號:NKX15
品牌:SKF
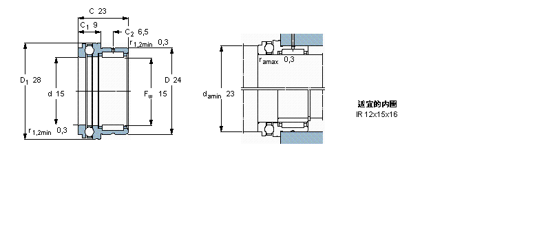
內徑:15
外徑:24
厚度:23
系列:組合式滾針軸承, 滾針/推力球軸承
【
手機版 NKX15軸承
點擊量
更新日期:2021/12/28
】
電話:020-36026999 傳真:020-36705678 服務熱線:18924187999 郵箱:sales@gzbearing.cn
| 組合式滾針軸承, 滾針/推力球軸承 | ||||||||||||||
| 公差 , 參見文字 | ||||||||||||||
| 徑向內部游隙 , 參見文字 | ||||||||||||||
| 推薦配合 | ||||||||||||||
| 軸和軸承座公差 | ||||||||||||||
|
|
||||||||||||||
| 主要數據尺寸 | 基本負荷額定值 | 疲勞負荷限值 | 最小負荷系數 | 額定速度 | 體積 | 型號 | ||||||||
| 徑向 | 軸向 | 參照速度 | 限制速度 | |||||||||||
| 動態(tài) | 靜態(tài) | 動態(tài) | 靜態(tài) | 徑向 | 軸向 | |||||||||
| Fw | D | C | C | C0 | C | C0 | Pu | Pu | A | |||||
|
|
||||||||||||||
| mm | kN | kN | - | r/min | kg | - | ||||||||
|
|
||||||||||||||
| 15 | 24 | 23 | 11,2 | 14 | 10,6 | 18,3 | 1,66 | 0,67 | 0,0017 | 8500 | 12000 | 0,044 | NKX 15 | |
20226-MB軸承 HS7017-E-T-P4S軸承 61910-RZ軸承 862/853軸承 6017Z軸承 BCE48-P軸承 3809-B-TVH軸承 GEZM400ES-2RS軸承 GE19-ZO軸承 7201CDT軸承 32238JR軸承 68FC49300A軸承 EWP206軸承 53218+U218軸承 NUP2228-E-M1軸承 6212.2RSR軸承 6706軸承 EGBZ2624-E40軸承 E30324J軸承 23196R軸承