
SKF進口軸承代理鼎力晟業(yè)為用戶提供高品質的NKX17軸承,無論是工業(yè)配套還是維修市場,用戶都可以在這里找到貨期最短的SKF NKX17軸承,確保您的不間斷生產。
型號:NKX17
品牌:SKF
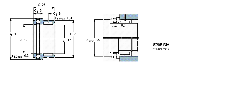
內徑:17
外徑:26
厚度:25
系列:組合式滾針軸承, 滾針/推力球軸承
【
手機版 NKX17軸承
點擊量
更新日期:2021/12/28
】
電話:020-36026999 傳真:020-36705678 服務熱線:18924187999 郵箱:sales@gzbearing.cn
| 組合式滾針軸承, 滾針/推力球軸承 | ||||||||||||||
| 公差 , 參見文字 | ||||||||||||||
| 徑向內部游隙 , 參見文字 | ||||||||||||||
| 推薦配合 | ||||||||||||||
| 軸和軸承座公差 | ||||||||||||||
|
|
||||||||||||||
| 主要數據尺寸 | 基本負荷額定值 | 疲勞負荷限值 | 最小負荷系數 | 額定速度 | 體積 | 型號 | ||||||||
| 徑向 | 軸向 | 參照速度 | 限制速度 | |||||||||||
| 動態(tài) | 靜態(tài) | 動態(tài) | 靜態(tài) | 徑向 | 軸向 | |||||||||
| Fw | D | C | C | C0 | C | C0 | Pu | Pu | A | |||||
|
|
||||||||||||||
| mm | kN | kN | - | r/min | kg | - | ||||||||
|
|
||||||||||||||
| 17 | 26 | 25 | 12,3 | 16,6 | 10,8 | 19,6 | 1,96 | 0,735 | 0,002 | 8500 | 12000 | 0,053 | NKX 17 | |