
鼎力晟業(yè)是SKF進口軸承代理,銷售SKF 230/630CA/W33軸承,不僅具備價格優(yōu)勢,而且在供貨及時性、供貨能力方面具有比較優(yōu)勢,能在最短的時間內為用戶提供原裝進口的SKF 230/630CA/W33軸承。
型號:230/630CA/W33
品牌:SKF
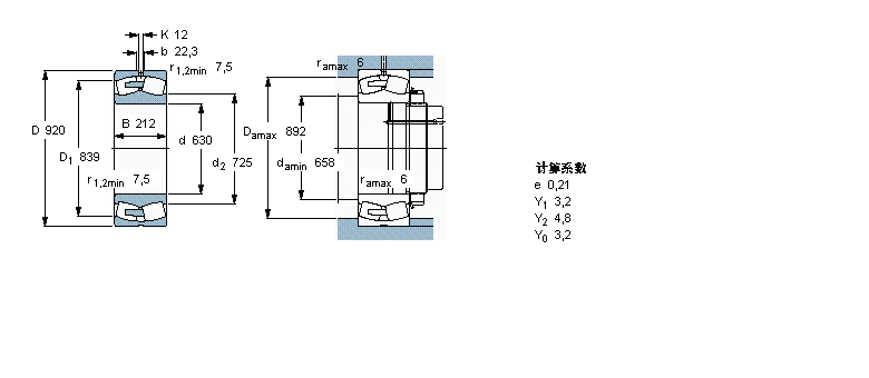
內徑:630
外徑:920
厚度:212
系列:球面滾子軸承, 圓柱和圓錐孔, 圓柱型內孔, 無密封件
【
手機版 230/630CA/W33軸承
點擊量
更新日期:2021/12/28
】
電話:020-36026999 傳真:020-36705678 服務熱線:18924187999 郵箱:sales@gzbearing.cn
| 球面滾子軸承, 圓柱和圓錐孔, 圓柱型內孔, 無密封件 | ||||||||||
| 公差 , 參見文字 | ||||||||||
| 徑向內部間隙, 圓柱型內孔 , 圓錐型內孔, 無密封件 , 參見文字 | ||||||||||
| 推薦配合 | ||||||||||
| 軸和軸承座公差 | ||||||||||
|
|
||||||||||
| 主要數據尺寸 | 基本負荷額定值 | 疲勞負荷限值 | 額定速度 | 體積 | 型號 | |||||
| 動態(tài) | 靜態(tài) | 參照速度 | 限制速度 | |||||||
| d | D | B | C | C0 | Pu | * - SKF Explorer 軸承 | ||||
|
|
||||||||||
| mm | kN | kN | r/min | kg | - | |||||
|
|
||||||||||
| 630 | 920 | 212 | 6700 | 12500 | 800 | 380 | 670 | 485 | 230/630 CA/W33 * | |
28158/300軸承 7305BDF軸承 2207K軸承 7330B/DT軸承 E-4R6202軸承 2876/02823D軸承 NN3017軸承 HM265049/HM265010軸承 EGF25215-E40軸承 23122CCK/W33軸承 7001A5DT軸承 NUP336軸承 HSB928C軸承 M383240D/210/210D軸承 NJ2318ECJ軸承 CSXG075軸承 TSHE60-N軸承 24172-B-K30軸承 230/710BK軸承 S71920ACD/P4A軸承