
作為傳統(tǒng)的進口軸承代理商,鼎力晟業(yè)以廣州為基地,全方位展開與SKF公司的合作,為本地SKF NJ2318ECJ軸承提供強大的貨源支持,并迅速推廣到全國各地,經過多年的努力,NJ2318ECJ軸承已成為我們的主導產品之一。
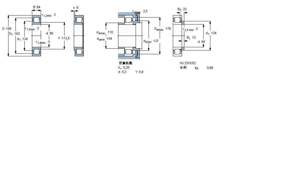
型號:NJ2318ECJ
品牌:SKF
內徑:90
外徑:190
厚度:64
系列:圓柱滾子軸承, 單列, NJ 設計
【
手機版 NJ2318ECJ軸承
點擊量
更新日期:2021/12/28
】
電話:020-36026999 傳真:020-36705678 服務熱線:18924187999 郵箱:sales@gzbearing.cn
| 圓柱滾子軸承, 單列, NJ 設計 | ||||||||||||
| 公差 , 參見文字 | ||||||||||||
| 徑向內部間隙, 圓柱型內孔 , 圓錐型內孔, 無密封件 , 參見文字 | ||||||||||||
| 推薦配合 | ||||||||||||
| 軸和軸承座公差 | ||||||||||||
|
|
||||||||||||
| 主要數據尺寸 | 基本負荷額定值 | 疲勞負荷限值 | 額定速度 | 體積 | 型號 | 適宜的斜擋圈 | ||||||
| 動態(tài) | 靜態(tài) | 參照速度 | 限制速度 | 型號 | ||||||||
| d | D | B | C | C0 | Pu | * - SKF Explorer 軸承 | ||||||
|
|
||||||||||||
| mm | kN | kN | r/min | kg | - | - | ||||||
|
|
||||||||||||
| 90 | 190 | 64 | 500 | 540 | 65,5 | 3800 | 4500 | 8,15 | NJ 2318 ECJ * | HJ 2318 EC | ||