
SKF SILKAC20M軸承是鼎力晟業(yè)長期代理的產品,鼎力晟業(yè)與SKF公司具有長期的SILKAC20M軸承采購計劃,可以為國內用戶提供足夠數量的SKF SILKAC20M軸承,讓您的工廠無憂運轉。
型號:SILKAC20M
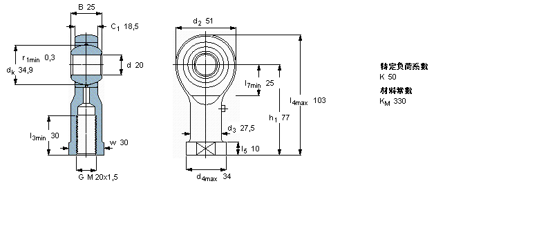
品牌:SKF
內徑:20
外徑:51
厚度:25
系列:需要維護的桿端, 鋼對青銅,陰螺紋
【
手機版 SILKAC20M軸承
點擊量
更新日期:2021/12/28
】
電話:020-36026999 傳真:020-36705678 服務熱線:18924187999 郵箱:sales@gzbearing.cn
| 需要維護的桿端, 鋼對青銅,陰螺紋 | |||||||||||
| 公差 , 參見文字 | |||||||||||
| 徑向內部游隙 , 參見文字 | |||||||||||
|
|
|||||||||||
| 主要數據尺寸 | 角度傾的 | 基本負荷額定值 | 質量 | 型號 | |||||||
| 動態(tài) | 靜態(tài) | 軸承座完全與 | |||||||||
| d | d2 | B | d3 | C1 | h1 | ± | C | C0 | |||
| 6H | |||||||||||
|
|
|||||||||||
| mm | 度數 | kN | kg | - | |||||||
|
|
|||||||||||
| 20 | 51 | 25 | M 20x1,5 | 18,5 | 77 | 15 | 31,5 | 35,5 | 0,42 | SILKAC 20 M | |
3984軸承 61913-ZN軸承 PCJTY50-N軸承 B71900C軸承 23236RHAK+H2336軸承 MF41X軸承 3576軸承 NJ2319ECML軸承 629-RZ軸承 B7214E軸承 6211-Z軸承 241/800ECA/W33軸承 29248軸承 54418XU軸承 22308CKD1軸承 RNA49/38U軸承 7234BDB軸承 GAKR22-PB軸承 23228BK軸承 33220軸承