
SKF SA40ES-2RS軸承是鼎力晟業(yè)長期代理的產品,鼎力晟業(yè)與SKF公司具有長期的SA40ES-2RS軸承采購計劃,可以為國內用戶提供足夠數量的SKF SA40ES-2RS軸承,讓您的工廠無憂運轉。
型號:SA40ES-2RS
品牌:SKF
系列:需要維護的桿端, 鋼對鋼,陽螺紋, 兩面密封件
【
手機版 SA40ES-2RS軸承
點擊量
更新日期:2021/12/28
】
電話:020-36026999 傳真:020-36705678 服務熱線:18924187999 郵箱:sales@gzbearing.cn
| 需要維護的桿端, 鋼對鋼,陽螺紋, 兩面密封件 | |||||||||||
| 公差 , 參見文字 | |||||||||||
| 徑向內部游隙 , 參見文字 | |||||||||||
|
|
|||||||||||
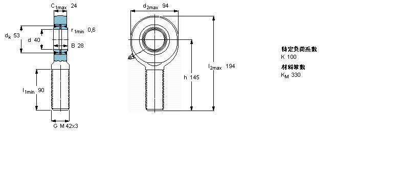
| 主要數據尺寸 | 角度傾的 | 基本負荷額定值 | 質量 | 型號 | |||||||
| 動態(tài) | 靜態(tài) | 桿端帶右或左旋螺紋 | |||||||||
| d | d2 | B | d3 | C1 | h | ± | C | C0 | |||
| 6g | |||||||||||
|
|
|||||||||||
| mm | 度數 | kN | kg | - | |||||||
|
|
|||||||||||
| 40 | 94 | 28 | M 42x3 | 24 | 145 | 6 | 100 | 140 | 1,90 | SA 40 ES-2RS | |
22218-E1-K+AHX318軸承 7201CDT軸承 4T-31594/31520軸承 61908-2RZ軸承 66212/66461軸承 ZGB35X41X30軸承 7216AC/DB軸承 PNA25/47軸承 3216-B-2Z-TVH軸承 31314A軸承 E30324J軸承 EGB1005-E40-B軸承 ZKLF3590.2RS軸承 NU413E.M1軸承 230SM160-MA軸承 EE231462/232026D軸承 N211軸承 4T-JHM911244/JHM911211軸承 7005軸承 NUP205軸承