
鼎力晟業(yè)是SKF進口軸承代理商,不僅為工業(yè)配套用戶提供SKF NU204ECP軸承,在維修市場也提供足夠的支持,是SKF軸承在國內的優(yōu)質經銷商之一,購買SKF NU204ECP軸承,鼎力晟業(yè)是您放心的選擇。
型號:NU204ECP
品牌:SKF
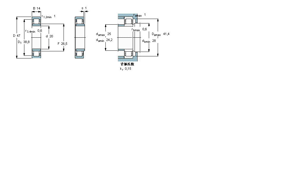
內徑:20
外徑:47
厚度:14
系列:圓柱滾子軸承, 單列, NU 設計
【
手機版 NU204ECP軸承
點擊量
更新日期:2021/12/28
】
電話:020-36026999 傳真:020-36705678 服務熱線:18924187999 郵箱:sales@gzbearing.cn
| 圓柱滾子軸承, 單列, NU 設計 | ||||||||||||
| 公差 , 參見文字 | ||||||||||||
| 徑向內部間隙, 圓柱型內孔 , 圓錐型內孔, 無密封件 , 參見文字 | ||||||||||||
| 推薦配合 | ||||||||||||
| 軸和軸承座公差 | ||||||||||||
|
|
||||||||||||
| 主要數據尺寸 | 基本負荷額定值 | 疲勞負荷限值 | 額定速度 | 體積 | 型號 | 適宜的斜擋圈 | ||||||
| 動態(tài) | 靜態(tài) | 參照速度 | 限制速度 | 型號 | ||||||||
| d | D | B | C | C0 | Pu | |||||||
|
|
||||||||||||
| mm | kN | kN | r/min | kg | - | - | ||||||
|
|
||||||||||||
| 20 | 47 | 14 | 25,1 | 22 | 2,75 | 16000 | 19000 | 0,11 | NU 204 ECP | - | ||
NUP2216E軸承 14118/14276D軸承 742軸承 YSA209-2FK軸承 628-RZ軸承 3203A-Z軸承 HCS7018-C-T-P4S軸承 EW209軸承 7202BDB軸承 3189/3120軸承 NUP2208E軸承 GE12-PW軸承 87762/87111-B軸承 7321B/DT軸承 24068CC/W33軸承 HS71912-E-T-P4S軸承 NJ2315-E-TVP2+HJ2315E軸承 BC4-8010/HA4軸承 SD236CG軸承 B71900-C-T-P4S軸承