
我們不僅提供SKF NKIB5903軸承,還提供SKF品牌的其他品牌產品,以及SKF NKIB5903軸承的替換型號,萬千種型號,任您選擇。
型號:NKIB5903
品牌:SKF
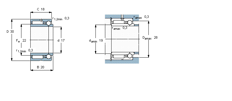
內徑:17
外徑:30
厚度:20
系列:組合式滾針軸承, 滾針/角接觸球軸承, 軸向負荷 雙向
【
手機版 NKIB5903軸承
點擊量
更新日期:2021/12/28
】
電話:020-36026999 傳真:020-36705678 服務熱線:18924187999 郵箱:sales@gzbearing.cn
| 組合式滾針軸承, 滾針/角接觸球軸承, 軸向負荷 雙向 | |||||||||||||
| 公差 , 參見文字 | |||||||||||||
| 徑向內部游隙 , 參見文字 | |||||||||||||
| 推薦配合 | |||||||||||||
| 軸和軸承座公差 | |||||||||||||
|
|
|||||||||||||
| 主要數據尺寸 | 基本負荷額定值 | 疲勞負荷限值 | 額定速度 | 體積 | 型號 | ||||||||
| 徑向 | 軸向 | 參照速度 | 限制速度 | ||||||||||
| 動態(tài) | 靜態(tài) | 動態(tài) | 靜態(tài) | 徑向 | 軸向 | ||||||||
| d | D | B | C | C0 | C | C0 | Pu | Pu | |||||
|
|
|||||||||||||
| mm | kN | kN | r/min | kg | - | ||||||||
|
|
|||||||||||||
| 17 | 30 | 20 | 11,7 | 17 | 2,24 | 2,74 | 1,96 | 0,116 | 18000 | 20000 | 0,058 | NKIB 5903 | |