
訂購SKF L183448/410軸承,請隨時與我們聯系,我們將根據匯率的波動為您提供實時準確的價格,確保以最優(yōu)惠的價格為您提供優(yōu)質的SKF L183448/410軸承。
型號:L183448/410
品牌:SKF
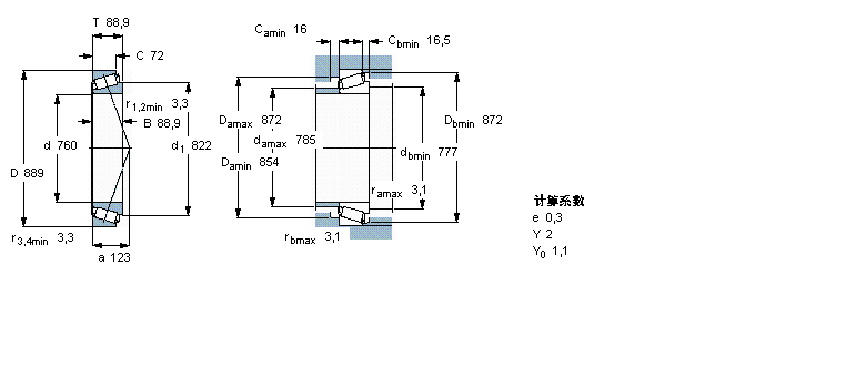
內徑:760
外徑:889
厚度:88.9
系列:圓錐滾子軸承, 單列, 英制軸承
【
手機版 L183448/410軸承
點擊量
更新日期:2021/12/28
】
電話:020-36026999 傳真:020-36705678 服務熱線:18924187999 郵箱:sales@gzbearing.cn
| 圓錐滾子軸承, 單列, 英制軸承 | ||||||||||
| 公差 , 參見文字 | ||||||||||
| 推薦配合 | ||||||||||
| 軸和軸承座公差 | ||||||||||
|
|
||||||||||
| 主要數據尺寸 | 基本負荷額定值 | 疲勞負荷限值 | 額定速度 | 體積 | 型號 | |||||
| 動態(tài) | 靜態(tài) | 參照速度 | 限制速度 | |||||||
| d | D | T | C | C0 | Pu | |||||
|
|
||||||||||
| mm | kN | kN | r/min | kg | - | |||||
|
|
||||||||||
| 760 | 889 | 88,9 | 1870 | 5850 | 380 | 360 | 530 | 94,0 | L 183448/410 | |