
訂購SKF 511/1000F軸承,請隨時與我們聯系,我們將根據匯率的波動為您提供實時準確的價格,確保以最優(yōu)惠的價格為您提供優(yōu)質的SKF 511/1000F軸承。
型號:511/1000F
品牌:SKF
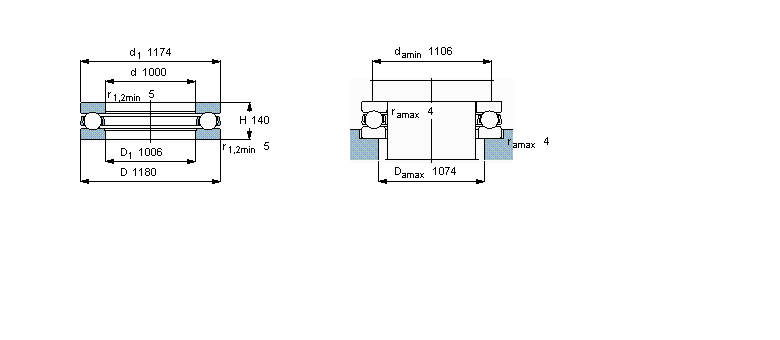
內徑:1000
外徑:1180
厚度:140
系列:推力球軸承, 單向
【
手機版 511/1000F軸承
點擊量
更新日期:2021/12/28
】
電話:020-36026999 傳真:020-36705678 服務熱線:18924187999 郵箱:sales@gzbearing.cn
| 推力球軸承, 單向 | |||||||||||
| 公差 , 參見文字 | |||||||||||
| 推薦配合 | |||||||||||
| 軸和軸承座公差 | |||||||||||
|
|
|||||||||||
| 主要數據尺寸 | 基本負荷額定值 | 疲勞負荷限值 | 最小負荷系數 | 額定速度 | 體積 | 型號 | |||||
| 動態(tài) | 靜態(tài) | 參照速度 | 限制速度 | ||||||||
| d | D | H | C | C0 | Pu | A | |||||
|
|
|||||||||||
| mm | kN | kN | - | r/min | kg | - | |||||
|
|
|||||||||||
| 1000 | 1180 | 140 | 1330 | 13200 | 150 | 910 | 260 | 380 | 275 | 511/1000 F | |
6302-Z軸承 6204-RS軸承 CR20VB軸承 46T32322JR/142軸承 6209-2Z/VA228軸承 22326-E1-K-T41A軸承 E30209J軸承 31324-X-N11CA-A140-180軸承 3207軸承 7303AC軸承 1305軸承 24092RHA軸承 320/22X軸承 NU409軸承 E31315DJ軸承 7206AC/DF軸承 NJ1017ML軸承 EE640192/640260-B軸承 7005AC/DT軸承 627軸承