
鼎力晟業(yè)是SKF進口軸承代理商,不僅為工業(yè)配套用戶提供SKF 30228J2/DFC100軸承,在維修市場也提供足夠的支持,是SKF軸承在國內的優(yōu)質經銷商之一,購買SKF 30228J2/DFC100軸承,鼎力晟業(yè)是您放心的選擇。
型號:30228J2/DFC100
品牌:SKF
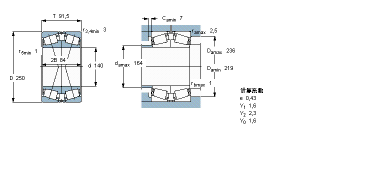
內徑:140
外徑:250
厚度:91.5
系列:圓錐滾子軸承, 單列,面對面配對
【
手機版 30228J2/DFC100軸承
點擊量
更新日期:2021/12/28
】
電話:020-36026999 傳真:020-36705678 服務熱線:18924187999 郵箱:sales@gzbearing.cn
| 圓錐滾子軸承, 單列,面對面配對 | ||||||||||
| 公差 , 參見文字 | ||||||||||
| 軸向內部間隙, 參見文字 | ||||||||||
| 推薦配合 | ||||||||||
| 軸和軸承座公差 | ||||||||||
|
|
||||||||||
| 主要數據尺寸 | 基本負荷額定值 | 疲勞負荷限值 | 額定速度 | 體積 | 型號 | |||||
| 動態(tài) | 靜態(tài) | 參照速度 | 限制速度 | |||||||
| d | D | T | C | C0 | Pu | |||||
|
|
||||||||||
| mm | kN | kN | r/min | kg | - | |||||
|
|
||||||||||
| 140 | 250 | 91,5 | 721 | 1140 | 116 | 1500 | 2600 | 18,0 | 30228 J2/DFC100 | |
PSHEY40-N軸承 22320-E1-K-T41A軸承 ZKLN1545-2Z軸承 25880/25821軸承 23292EW33K軸承 LM261049DW/LM761610軸承 MR85軸承 SYL20TR/VE495軸承 NJ319E.TVP2+HJ319E軸承 NKI70/25軸承 22214ESKTVPBH314軸承 SAF1510軸承 745S/742軸承 GE90-KRR-B-FA164軸承 5S-BNT208軸承 CR19x32x6.3CRW1R軸承 32244-A-N11CA軸承 6918N軸承 RCJY1-1/4-206軸承 23022-E1-TVPB軸承