
SKF進口軸承代理鼎力晟業(yè)為用戶提供高品質的23292CAK/W33軸承,無論是工業(yè)配套還是維修市場,用戶都可以在這里找到貨期最短的SKF 23292CAK/W33軸承,確保您的不間斷生產。
型號:23292CAK/W33
品牌:SKF
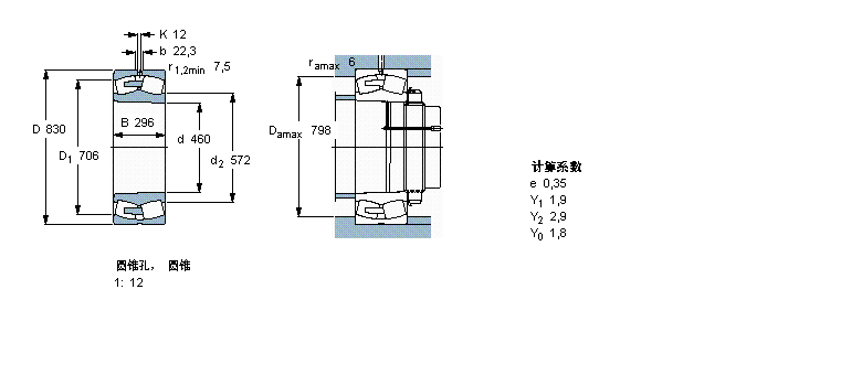
內徑:460
外徑:830
厚度:296
系列:球面滾子軸承, 圓柱和圓錐孔, 圓錐型內孔, 無密封件
【
手機版 23292CAK/W33軸承
點擊量
更新日期:2021/12/28
】
電話:020-36026999 傳真:020-36705678 服務熱線:18924187999 郵箱:sales@gzbearing.cn
| 球面滾子軸承, 圓柱和圓錐孔, 圓錐型內孔, 無密封件 | ||||||||||
| 公差 , 參見文字 | ||||||||||
| 徑向內部間隙, 圓柱型內孔 , 圓錐型內孔, 無密封件 , 參見文字 | ||||||||||
| 推薦配合 | ||||||||||
| 軸和軸承座公差 | ||||||||||
|
|
||||||||||
| 主要數據尺寸 | 基本負荷額定值 | 疲勞負荷限值 | 額定速度 | 體積 | 型號 | |||||
| 動態(tài) | 靜態(tài) | 參照速度 | 限制速度 | |||||||
| d | D | B | C | C0 | Pu | * - SKF Explorer 軸承 | ||||
|
|
||||||||||
| mm | kN | kN | r/min | kg | - | |||||
|
|
||||||||||
| 460 | 830 | 296 | 8500 | 13700 | 880 | 400 | 560 | 675 | 23292 CAK/W33 * | |
6010-RS1軸承 GYE40-KRR-B-VA軸承 53264XU軸承 89418-M軸承 234480M.SP軸承 B7009E軸承 LL566848/810/HA1軸承 HCB71909-E-2RSD-T-P4S軸承 7316B/DT軸承 LRT9511035軸承 7002AC/DF軸承 619/5軸承 PHEY20軸承 7212CDF軸承 33030軸承 6005ZZ軸承 B71936-E-T-P4S軸承 7215B/DB軸承 7224軸承 FLRA1-5ZA軸承