
作為傳統(tǒng)的進口軸承代理商,鼎力晟業(yè)以廣州為基地,全方位展開與SKF公司的合作,為本地SKF 231/600CAK/W33軸承提供強大的貨源支持,并迅速推廣到全國各地,經過多年的努力,231/600CAK/W33軸承已成為我們的主導產品之一。
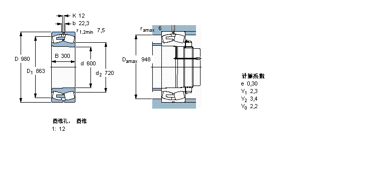
型號:231/600CAK/W33
品牌:SKF
內徑:600
外徑:980
厚度:300
系列:球面滾子軸承, 圓柱和圓錐孔, 圓錐型內孔, 無密封件
【
手機版 231/600CAK/W33軸承
點擊量
更新日期:2021/12/28
】
電話:020-36026999 傳真:020-36705678 服務熱線:18924187999 郵箱:sales@gzbearing.cn
| 球面滾子軸承, 圓柱和圓錐孔, 圓錐型內孔, 無密封件 | ||||||||||
| 公差 , 參見文字 | ||||||||||
| 徑向內部間隙, 圓柱型內孔 , 圓錐型內孔, 無密封件 , 參見文字 | ||||||||||
| 推薦配合 | ||||||||||
| 軸和軸承座公差 | ||||||||||
|
|
||||||||||
| 主要數據尺寸 | 基本負荷額定值 | 疲勞負荷限值 | 額定速度 | 體積 | 型號 | |||||
| 動態(tài) | 靜態(tài) | 參照速度 | 限制速度 | |||||||
| d | D | B | C | C0 | Pu | * - SKF Explorer 軸承 | ||||
|
|
||||||||||
| mm | kN | kN | r/min | kg | - | |||||
|
|
||||||||||
| 600 | 980 | 300 | 10200 | 18000 | 1100 | 320 | 560 | 865 | 231/600 CAK/W33 * | |
C3140K+H3140軸承 23030-E1-K-TVPB+H3030軸承 23024EAS.M軸承 52313軸承 HCS71915-E-T-P4S軸承 RCJT40-N軸承 HCB71916-C-2RSD-T-P4S軸承 230/600CAK/W33軸承 NU326E.TVP2軸承 K55x63x20軸承 B7208-C-T-P4S軸承 GE6E軸承 HCB71908-C-T-P4S軸承 AZ19032039軸承 53209軸承 K15x21x15軸承 7203B/DB軸承 HCS71900E.T.P4S.UL軸承 RHEY20-TV-VA軸承 PAK50軸承