

SKF OH3296H軸承工業(yè)配套用戶請注意:批量采購SKF OH3296H軸承,請至少提前一周與我們聯(lián)系,長期批量采購請?zhí)峁┠甓炔少徲?jì)劃,我們將十分感謝您的預(yù)見性,我們將提供極為優(yōu)惠的價(jià)格以保障您的權(quán)益。
型號:OH3296H
品牌:SKF
系列:緊定套
【更新日期:2016/8/3 電腦版 OH3296H軸承】
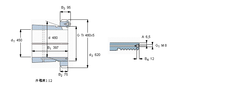
| 緊定套 | ||||||||||
|
|
||||||||||
| 尺寸 | 體積 | 型號 | ||||||||
| 緊定軸套帶螺母 | 鎖定螺母 | 鎖定裝置 | 適宜的液壓 | |||||||
| d1 | d | d3 | B1 | G | 和鎖緊裝置 | 螺母 | ||||
|
|
||||||||||
| mm | kg | - | ||||||||
|
|
||||||||||
| 450 | 480 | 620 | 397 | Tr 480x5 | 153 | OH 3296 H | HM 3196 | MS 3196 | HMV 96 E | |