

磐固晟是SKF進口軸承經銷 商,不僅為工業(yè)配套用戶提供SKF NU3192ECMA/HB1軸承,在維修市場也提供足夠的支持,是SKF軸承在國內的優(yōu)質經銷商之一,購買SKF NU3192ECMA/HB1軸承,磐固晟是您放心的選擇。
型號:NU3192ECMA/HB1
品牌:SKF
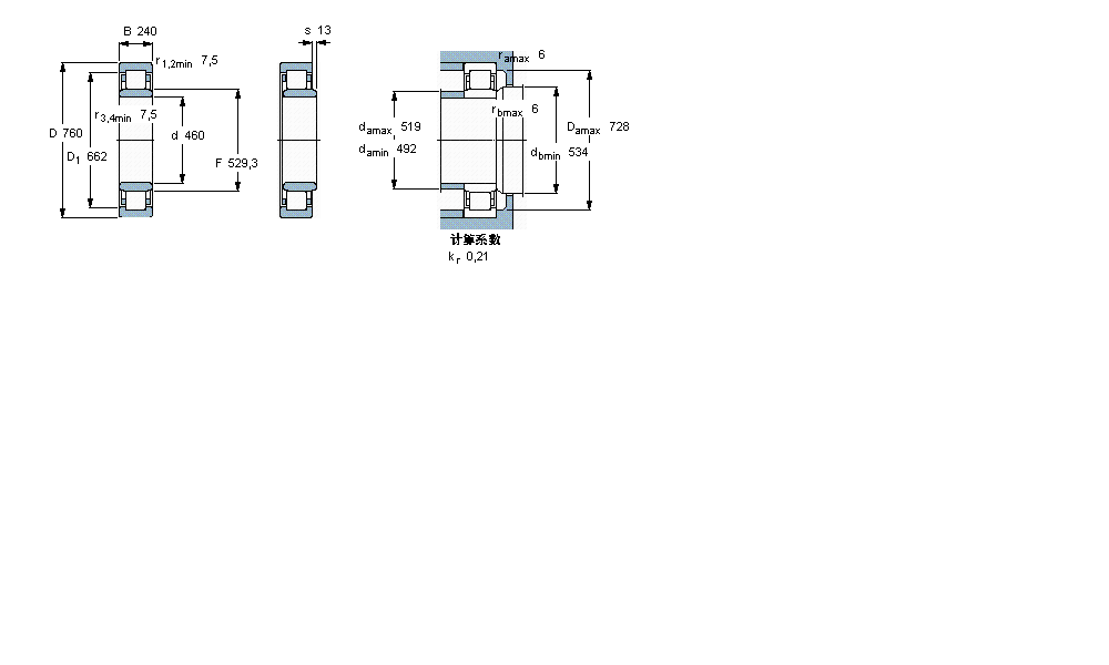
內徑:460
外徑:760
厚度:240
系列:圓柱滾子軸承, 單列, NU 設計
【更新日期:2016/8/3 電腦版 NU3192ECMA/HB1軸承】
| 圓柱滾子軸承, 單列, NU 設計 | ||||||||||||
| 公差 , 參見文字 | ||||||||||||
| 徑向內部間隙, 圓柱型內孔 , 圓錐型內孔, 無密封件 , 參見文字 | ||||||||||||
| 推薦配合 | ||||||||||||
| 軸和軸承座公差 | ||||||||||||
|
|
||||||||||||
| 主要數據尺寸 | 基本負荷額定值 | 疲勞負荷限值 | 額定速度 | 體積 | 型號 | 適宜的斜擋圈 | ||||||
| 動態(tài) | 靜態(tài) | 參照速度 | 限制速度 | 型號 | ||||||||
| d | D | B | C | C0 | Pu | |||||||
|
|
||||||||||||
| mm | kN | kN | r/min | kg | - | - | ||||||
|
|
||||||||||||
| 460 | 760 | 240 | 5280 | 9650 | 735 | 670 | 1100 | 455 | NU 3192 ECMA/HB1 | - | ||