
SKF進口軸承代理鼎力晟業(yè)為用戶提供高品質的W619/8-2Z軸承,無論是工業(yè)配套還是維修市場,用戶都可以在這里找到貨期最短的SKF W619/8-2Z軸承,確保您的不間斷生產。
型號:W619/8-2Z
品牌:SKF
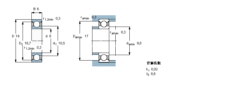
內徑:8
外徑:19
厚度:6
系列:深溝球軸承, 單列,不銹鋼, 兩面防塵罩
【
手機版 W619/8-2Z軸承
點擊量
更新日期:2021/12/28
】
電話:020-36026999 傳真:020-36705678 服務熱線:18924187999 郵箱:sales@gzbearing.cn
| 深溝球軸承, 單列,不銹鋼, 兩面防塵罩 | ||||||||||
| 公差 , 參見文字 | ||||||||||
| 徑向內部游隙 , 參見文字 | ||||||||||
| 推薦配合 | ||||||||||
| 軸和軸承座公差 | ||||||||||
|
|
||||||||||
| 主要數據尺寸 | 基本負荷額定值 | 疲勞負荷限值 | 額定速度 | 體積 | 型號 | |||||
| 動態(tài) | 靜態(tài) | 參照速度 | 限制速度 | |||||||
| d | D | B | C | C0 | Pu | |||||
|
|
||||||||||
| mm | kN | kN | r/min | kg | - | |||||
|
|
||||||||||
| 8 | 19 | 6 | 1,59 | 0,71 | 0,031 | 80000 | 40000 | 0,0076 | W 619/8-2Z | |
28980/28921D軸承 6007-2RS軸承 23932K軸承 YAR211-203-2FW/VA201軸承 32008/38X/Q軸承 E-EE649241D/649310/649311DG2軸承 F607ZZ1軸承 RNA22/6.2RS軸承 GK50-DO軸承 SAKAC30M軸承 CRBC20025軸承 LM603049/LM603014軸承 NU2315ECJ軸承 NKXR30Z軸承 F635軸承 47T815529軸承 625-2RZ軸承 23132-E1-K-TVPB+H3132軸承 78215C/78551軸承 S6301軸承