
購買SKF W61800-2Z軸承,及W61800-2Z軸承同系列產品,或者SKF公司其他產品,請聯系SKF進口軸承代理-鼎力晟業(yè),我們提供準時高效的服務。
型號:W61800-2Z
品牌:SKF
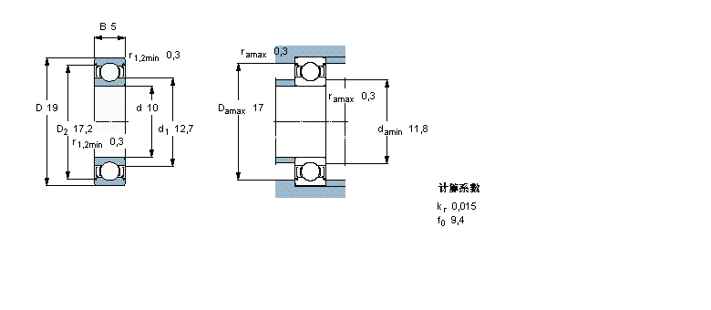
內徑:10
外徑:19
厚度:5
系列:深溝球軸承, 單列,不銹鋼, 兩面防塵罩
【
手機版 W61800-2Z軸承
點擊量
更新日期:2021/12/28
】
電話:020-36026999 傳真:020-36705678 服務熱線:18924187999 郵箱:sales@gzbearing.cn
| 深溝球軸承, 單列,不銹鋼, 兩面防塵罩 | ||||||||||
| 公差 , 參見文字 | ||||||||||
| 徑向內部游隙 , 參見文字 | ||||||||||
| 推薦配合 | ||||||||||
| 軸和軸承座公差 | ||||||||||
|
|
||||||||||
| 主要數據尺寸 | 基本負荷額定值 | 疲勞負荷限值 | 額定速度 | 體積 | 型號 | |||||
| 動態(tài) | 靜態(tài) | 參照速度 | 限制速度 | |||||||
| d | D | B | C | C0 | Pu | |||||
|
|
||||||||||
| mm | kN | kN | r/min | kg | - | |||||
|
|
||||||||||
| 10 | 19 | 5 | 1,14 | 0,57 | 0,025 | 80000 | 38000 | 0,0056 | W 61800-2Z | |
LR5205-2Z軸承 6018軸承 6813N軸承 GIKR8-PB軸承 BGSB358272軸承 23218EASKMH2318軸承 MLF8014軸承 LRBZ526032軸承 BT4B328817EX1/C475軸承 4T-HM804842/HM804810軸承 GE220GS軸承 61908-2RS軸承 53200軸承 RCJTZ20軸承 7232C軸承 ZARN3570-L-TV軸承 SNL3236軸承 3780/30軸承 32036X軸承 7307C/DB軸承