
我們不僅提供SKF W17軸承,還提供SKF品牌的其他品牌產品,以及SKF W17軸承的替換型號,萬千種型號,任您選擇。
型號:W17
品牌:SKF
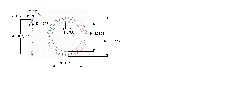
內徑:86.233
外徑:117.475
厚度:1.575
系列:W鎖緊墊圈, 英制尺寸
【
手機版 W17軸承
點擊量
更新日期:2021/12/28
】
電話:020-36026999 傳真:020-36705678 服務熱線:18924187999 郵箱:sales@gzbearing.cn
| W鎖緊墊圈, 英制尺寸 | ||||||
|
|
||||||
| 尺寸 | 體積 | 型號 | ||||
| 鎖緊墊圈 | 適宜的鎖定螺母 | |||||
| d | d2 | B | ||||
|
|
||||||
| mm | kg | - | ||||
|
|
||||||
| 86,233 | 117,475 | 1,575 | 0,057 | W 17 | AN 17 | |