
SKF進口軸承代理鼎力晟業(yè)為用戶提供高品質的W03軸承,無論是工業(yè)配套還是維修市場,用戶都可以在這里找到貨期最短的SKF W03軸承,確保您的不間斷生產。
型號:W03
品牌:SKF
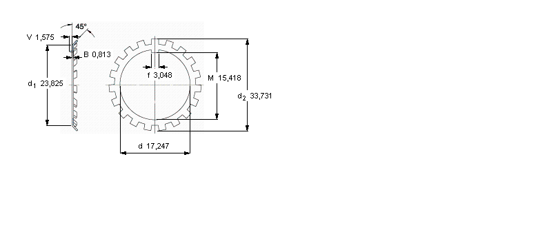
內徑:17.247
外徑:33.731
厚度:0.813
系列:W鎖緊墊圈, 英制尺寸
【
手機版 W03軸承
點擊量
更新日期:2021/12/28
】
電話:020-36026999 傳真:020-36705678 服務熱線:18924187999 郵箱:sales@gzbearing.cn
| W鎖緊墊圈, 英制尺寸 | ||||||
|
|
||||||
| 尺寸 | 體積 | 型號 | ||||
| 鎖緊墊圈 | 適宜的鎖定螺母 | |||||
| d | d2 | B | ||||
|
|
||||||
| mm | kg | - | ||||
|
|
||||||
| 17,247 | 33,731 | 0,813 | 0,005 | W 03 | N 03 | |
54208U軸承 NJ2320ET軸承 61909-2Z軸承 HW1/2軸承 23224BD1軸承 BK1416軸承 CSCB042軸承 VJ-PDNB309軸承 NU1010軸承 23936CA軸承 HS7000-C-T-P4S軸承 6824ZZ軸承 K80X86X20軸承 SL181860-E軸承 7602090TVP軸承 NUP214EM軸承 NUP220E軸承 C71915FB/P7軸承 7009DF軸承 23988K軸承