
SKF SYNT100FTF軸承工業(yè)配套用戶請注意:批量采購SKF SYNT100FTF軸承,請至少提前一周與我們聯系,長期批量采購請?zhí)峁┠甓炔少徲媱,我們將十分感謝您的預見性,我們將提供極為優(yōu)惠的價格以保障您的權益。
型號:SYNT100FTF
品牌:SKF
系列:滾子軸承立式軸承座單元, SKF ConCentra, locating units, radial shaft seals
【
手機版 SYNT100FTF軸承
點擊量
更新日期:2021/12/28
】
電話:020-36026999 傳真:020-36705678 服務熱線:18924187999 郵箱:sales@gzbearing.cn
| 滾子軸承立式軸承座單元, SKF ConCentra, locating units, radial shaft seals | ||||||||||||
|
|
||||||||||||
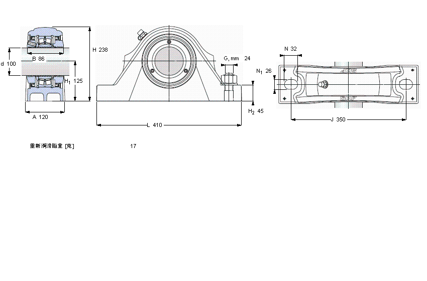
| 尺寸 | 尺寸 [英寸] | 疲勞負荷限值 | 限制速度 | 體積 | 型號 | 軸承,基本型號 | ||||||
| 動態(tài) | 靜態(tài) | |||||||||||
| da | A | H | H1 | L | C | C0 | Pu | |||||
|
|
||||||||||||
| mm | kN | kN | r/min | kg | - | - | ||||||
|
|
||||||||||||
| 100 | 120 | 238 | 125 | 410 | 425 | 490 | 49 | 1000 | 26 | SYNT 100 FTF | 22220 E | |
7248C/DT軸承 1210E軸承 LRTZ152020軸承 81238MPB軸承 35KDE13軸承 NJ305+HJ305軸承 HR323/28C軸承 NJ411+HJ411軸承 1317K+H317軸承 7307BDF軸承 22330RK+H2330軸承 NUP210-E-TVP2軸承 EGB2515-E40軸承 89316TN軸承 XW2-1/2軸承 6204-2RS1軸承 K45×50×17軸承 7334C軸承 K28X33X17軸承 NCF3032CV軸承