
購買SKF SC45ES軸承,及SC45ES軸承同系列產品,或者SKF公司其他產品,請聯系SKF進口軸承代理-鼎力晟業(yè),我們提供準時高效的服務。
型號:SC45ES
品牌:SKF
系列:需要維護的桿端, 鋼對鋼,焊接柄
【
手機版 SC45ES軸承
點擊量
更新日期:2021/12/28
】
電話:020-36026999 傳真:020-36705678 服務熱線:18924187999 郵箱:sales@gzbearing.cn
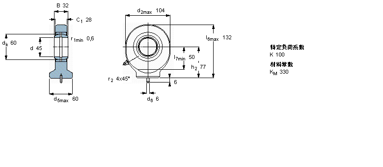
| 需要維護的桿端, 鋼對鋼,焊接柄 | ||||||||||
| 公差 , 參見文字 | ||||||||||
| 徑向內部游隙 , 參見文字 | ||||||||||
|
|
||||||||||
| 主要數據尺寸 | 角度傾的 | 基本負荷額定值 | 質量 | 型號 | ||||||
| 動態(tài) | 靜態(tài) | |||||||||
| d | d2 | B | C1 | h2 | ± | C | C0 | |||
| 最大 | ||||||||||
|
|
||||||||||
| mm | 度數 | kN | kg | - | ||||||
|
|
||||||||||
| 45 | 104 | 32 | 28 | 77 | 7 | 127 | 180 | 1,90 | SC 45 ES | |
NN3028-AS-K-M-SP軸承 LM520349/LM520310D軸承 LM4520軸承 W6006-2RS1軸承 7318CDF軸承 23124RHW33軸承 6003ZE軸承 TRU153320UU軸承 RCJ55軸承 A6075/A6157軸承 3216B軸承 47675/47620A軸承 6011ZZ軸承 NNU4932K軸承 6013ZZ軸承 NUP2209E.TVP2軸承 M88043軸承 LRBZ404824軸承 SL024944軸承 FYCRS-25軸承