
鼎力晟業(yè)是SKF進口軸承代理,銷售SKF SAL30ES軸承,不僅具備價格優(yōu)勢,而且在供貨及時性、供貨能力方面具有比較優(yōu)勢,能在最短的時間內為用戶提供原裝進口的SKF SAL30ES軸承。
型號:SAL30ES
品牌:SKF
系列:需要維護的桿端, 鋼對鋼,陽螺紋
【
手機版 SAL30ES軸承
點擊量
更新日期:2021/12/28
】
電話:020-36026999 傳真:020-36705678 服務熱線:18924187999 郵箱:sales@gzbearing.cn
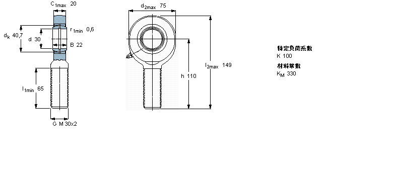
| 需要維護的桿端, 鋼對鋼,陽螺紋 | |||||||||||
| 公差 , 參見文字 | |||||||||||
| 徑向內部游隙 , 參見文字 | |||||||||||
|
|
|||||||||||
| 主要數據尺寸 | 角度傾的 | 基本負荷額定值 | 質量 | 型號 | |||||||
| 動態(tài) | 靜態(tài) | 桿端帶右或左旋螺紋 | |||||||||
| d | d2 | B | d3 | C1 | h | ± | C | C0 | |||
| 6g | |||||||||||
|
|
|||||||||||
| mm | 度數 | kN | kg | - | |||||||
|
|
|||||||||||
| 30 | 75 | 22 | M 30x2 | 20 | 110 | 6 | 62 | 81,5 | 0,87 | SAL 30 ES | |
HS7026-C-T-P4S軸承 7036AC/DB軸承 SILKB8F軸承 7409BGM軸承 6305N軸承 QJ306軸承 2209EKTN9+H309軸承 H3026軸承 1219K.M.C3+H219軸承 SNL30/530F軸承 B71948C.T.P4S.UL軸承 53203+U203軸承 71932ACD軸承 NUP228EC軸承 71926CDT軸承 350/353D軸承 K10×13×13軸承 GIR12-UK軸承 23132-E1-K-TVPB+H3132軸承 PCJ30-N軸承