
SKF OH39/1060HE軸承工業(yè)配套用戶請注意:批量采購SKF OH39/1060HE軸承,請至少提前一周與我們聯系,長期批量采購請?zhí)峁┠甓炔少徲媱,我們將十分感謝您的預見性,我們將提供極為優(yōu)惠的價格以保障您的權益。
型號:OH39/1060HE
品牌:SKF
系列:緊定套
【
手機版 OH39/1060HE軸承
點擊量
更新日期:2021/12/28
】
電話:020-36026999 傳真:020-36705678 服務熱線:18924187999 郵箱:sales@gzbearing.cn
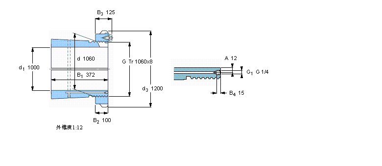
| 緊定套 | ||||||||||
|
|
||||||||||
| 尺寸 | 體積 | 型號 | ||||||||
| 緊定軸套帶螺母 | 鎖定螺母 | 鎖定裝置 | 適宜的液壓 | |||||||
| d1 | d | d3 | B1 | G | 和鎖緊裝置 | 螺母 | ||||
|
|
||||||||||
| mm | kg | - | ||||||||
|
|
||||||||||
| 1000 | 1060 | 1200 | 372 | Tr 1060x8 | 490 | OH 39/1060 HE | HME 30/1060 | MS 30/1000 | HMV 212 E | |
71904ACD軸承 32228-A軸承 LM12749/LM12710軸承 ZL204-DRS軸承 LR45x50x25.5軸承 K68×74×30軸承 6214/HC5C3軸承 BEAM012055-2RS軸承 316198軸承 562034M軸承 EGF12070-E40-B軸承 53209軸承 6212軸承 5212軸承 22336RHAK+H2336軸承 2316-K-M-C3軸承 7934C軸承 NUP2305軸承 NJ310軸承 CRB700150軸承