
鼎力晟業(yè)是SKF進口軸承代理,銷售SKF OH3980H軸承,不僅具備價格優(yōu)勢,而且在供貨及時性、供貨能力方面具有比較優(yōu)勢,能在最短的時間內為用戶提供原裝進口的SKF OH3980H軸承。
型號:OH3980H
品牌:SKF
系列:緊定套
【
手機版 OH3980H軸承
點擊量
更新日期:2021/12/28
】
電話:020-36026999 傳真:020-36705678 服務熱線:18924187999 郵箱:sales@gzbearing.cn
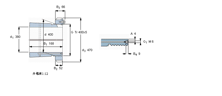
| 緊定套 | ||||||||||
|
|
||||||||||
| 尺寸 | 體積 | 型號 | ||||||||
| 緊定軸套帶螺母 | 鎖定螺母 | 鎖定裝置 | 適宜的液壓 | |||||||
| d1 | d | d3 | B1 | G | 和鎖緊裝置 | 螺母 | ||||
|
|
||||||||||
| mm | kg | - | ||||||||
|
|
||||||||||
| 380 | 400 | 470 | 168 | Tr 400x5 | 35,0 | OH 3980 H | HM 3080 | MS 3080-76 | HMV 80 E | |
PAK40軸承 330641E/C725軸承 52314軸承 RNA4903軸承 NN3060K軸承 22332RHK+H2332軸承 BT2-8019軸承 241/710-B-MB軸承 61804-2Z軸承 NU319軸承 64450/64700軸承 NU2209R軸承 21312K+H312X軸承 6312ZRN軸承 B71906-E-T-P4S軸承 RSAO40軸承 NJ215ECML軸承 SIA80ES-2RS軸承 EN16軸承 HK3026軸承