
OH31/630HE軸承是SKF公司同時面向工業(yè)配套和維修市場的產品,鼎力晟業(yè)同時代理此兩項業(yè)務,不僅為批量采購的用戶提供優(yōu)惠的SKF OH31/630HE軸承,同時也為零散采購用戶提供價格優(yōu)惠的及時供貨服務。
型號:OH31/630HE
品牌:SKF
系列:緊定套
【
手機版 OH31/630HE軸承
點擊量
更新日期:2021/12/28
】
電話:020-36026999 傳真:020-36705678 服務熱線:18924187999 郵箱:sales@gzbearing.cn
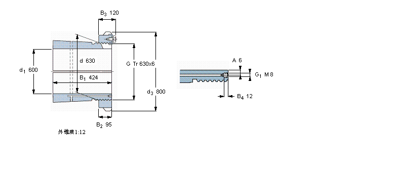
| 緊定套 | ||||||||||
|
|
||||||||||
| 尺寸 | 體積 | 型號 | ||||||||
| 緊定軸套帶螺母 | 鎖定螺母 | 鎖定裝置 | 適宜的液壓 | |||||||
| d1 | d | d3 | B1 | G | 和鎖緊裝置 | 螺母 | ||||
|
|
||||||||||
| mm | kg | - | ||||||||
|
|
||||||||||
| 600 | 630 | 800 | 424 | Tr 630x6 | 254 | OH 31/630 HE | HME 31/630 | MS 31/630 | HMV 126 E | |
6306-Z軸承 NK26/16軸承 NJ219R+HJ219R軸承 234713B軸承 FYCJS-8軸承 53315U軸承 22238R軸承 14124/14282軸承 33018+T2CE090軸承 RLS16軸承 KT223015軸承 FYNT55L軸承 22217CD軸承 KLRU08X28X11-2Z軸承 51160FP軸承 NKI6/12-TV軸承 6310ZE軸承 HK1416.2RS軸承 1312K+H312軸承 23996-B-MB軸承