
SKF進口軸承代理鼎力晟業(yè)為用戶提供高品質的NUP320ECJ軸承,無論是工業(yè)配套還是維修市場,用戶都可以在這里找到貨期最短的SKF NUP320ECJ軸承,確保您的不間斷生產。
型號:NUP320ECJ
品牌:SKF
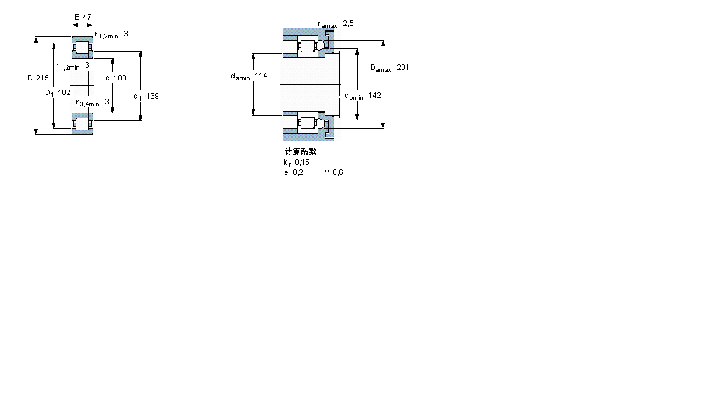
內徑:100
外徑:215
厚度:47
系列:圓柱滾子軸承, 單列, NUP 設計
【
手機版 NUP320ECJ軸承
點擊量
更新日期:2021/12/28
】
電話:020-36026999 傳真:020-36705678 服務熱線:18924187999 郵箱:sales@gzbearing.cn
| 圓柱滾子軸承, 單列, NUP 設計 | ||||||||||||
| 公差 , 參見文字 | ||||||||||||
| 徑向內部間隙, 圓柱型內孔 , 圓錐型內孔, 無密封件 , 參見文字 | ||||||||||||
| 推薦配合 | ||||||||||||
| 軸和軸承座公差 | ||||||||||||
|
|
||||||||||||
| 主要數據尺寸 | 基本負荷額定值 | 疲勞負荷限值 | 額定速度 | 體積 | 型號 | 適宜的斜擋圈 | ||||||
| 動態(tài) | 靜態(tài) | 參照速度 | 限制速度 | 型號 | ||||||||
| d | D | B | C | C0 | Pu | * - SKF Explorer 軸承 | ||||||
|
|
||||||||||||
| mm | kN | kN | r/min | kg | - | - | ||||||
|
|
||||||||||||
| 100 | 215 | 47 | 450 | 440 | 51 | 3200 | 3800 | 8,00 | NUP 320 ECJ * | - | ||
SIA50TXE-2LS軸承 FWF-243017-E軸承 7214BEP軸承 30322軸承 30321軸承 22309RHK+H2309軸承 56RT02軸承 TAM7030軸承 HJ2315E軸承 234719B軸承 13948軸承 6028ZX軸承 PCJY30-N軸承 388A/382A軸承 CFE12-1VBUU軸承 61917-ZN軸承 GIR70-UK-2RS軸承 51210軸承 32344軸承 7310AC/DF軸承