
SKF NU308ECML軸承是鼎力晟業(yè)長期代理的產品,鼎力晟業(yè)與SKF公司具有長期的NU308ECML軸承采購計劃,可以為國內用戶提供足夠數量的SKF NU308ECML軸承,讓您的工廠無憂運轉。
型號:NU308ECML
品牌:SKF
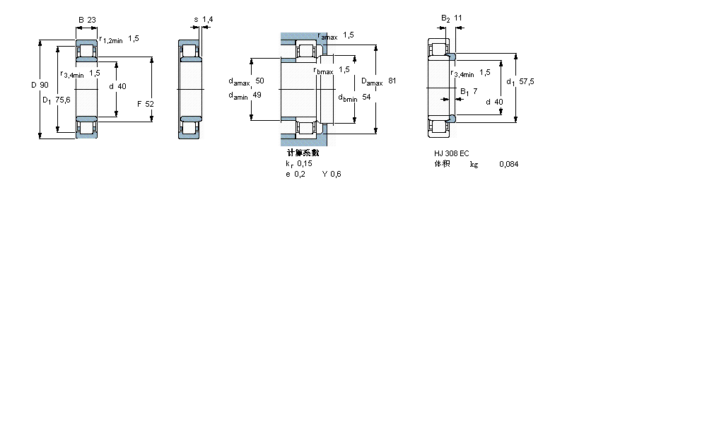
內徑:40
外徑:90
厚度:23
系列:圓柱滾子軸承, 單列, NU 設計
【
手機版 NU308ECML軸承
點擊量
更新日期:2021/12/28
】
電話:020-36026999 傳真:020-36705678 服務熱線:18924187999 郵箱:sales@gzbearing.cn
| 圓柱滾子軸承, 單列, NU 設計 | ||||||||||||
| 公差 , 參見文字 | ||||||||||||
| 徑向內部間隙, 圓柱型內孔 , 圓錐型內孔, 無密封件 , 參見文字 | ||||||||||||
| 推薦配合 | ||||||||||||
| 軸和軸承座公差 | ||||||||||||
|
|
||||||||||||
| 主要數據尺寸 | 基本負荷額定值 | 疲勞負荷限值 | 額定速度 | 體積 | 型號 | 適宜的斜擋圈 | ||||||
| 動態(tài) | 靜態(tài) | 參照速度 | 限制速度 | 型號 | ||||||||
| d | D | B | C | C0 | Pu | * - SKF Explorer 軸承 | ||||||
|
|
||||||||||||
| mm | kN | kN | r/min | kg | - | - | ||||||
|
|
||||||||||||
| 40 | 90 | 23 | 93 | 78 | 10,2 | 8000 | 15000 | 0,79 | NU 308 ECML * | HJ 308 EC | ||
6884軸承 73562/73876CD軸承 NK105/36軸承 NJ2317EC軸承 608.2Z軸承 6838VV軸承 2210-K-2RS-TVH-C3+H310軸承 7328AC/DF軸承 HN2520軸承 71913A5軸承 222SM100-TVPA軸承 6017N軸承 7318B.UO軸承 4T-JM714249/JM714210軸承 RP546036軸承 LM3530軸承 7226AC/DF軸承 6305-2RS軸承 681/672D軸承 CSCG180軸承