
SKF進口軸承代理鼎力晟業(yè)為用戶提供高品質的NJ311ECJ軸承,無論是工業(yè)配套還是維修市場,用戶都可以在這里找到貨期最短的SKF NJ311ECJ軸承,確保您的不間斷生產。
型號:NJ311ECJ
品牌:SKF
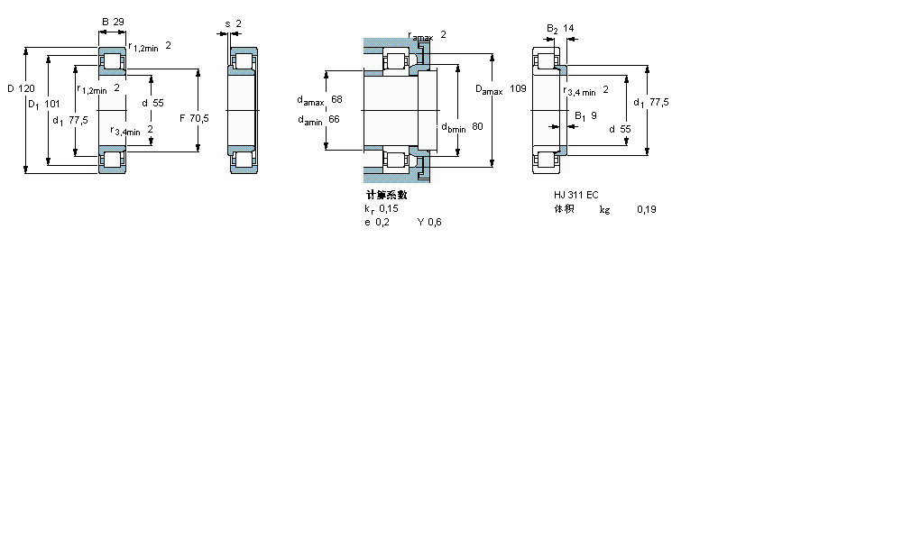
內徑:55
外徑:120
厚度:29
系列:圓柱滾子軸承, 單列, NJ 設計
【
手機版 NJ311ECJ軸承
點擊量
更新日期:2021/12/28
】
電話:020-36026999 傳真:020-36705678 服務熱線:18924187999 郵箱:sales@gzbearing.cn
| 圓柱滾子軸承, 單列, NJ 設計 | ||||||||||||
| 公差 , 參見文字 | ||||||||||||
| 徑向內部間隙, 圓柱型內孔 , 圓錐型內孔, 無密封件 , 參見文字 | ||||||||||||
| 推薦配合 | ||||||||||||
| 軸和軸承座公差 | ||||||||||||
|
|
||||||||||||
| 主要數據尺寸 | 基本負荷額定值 | 疲勞負荷限值 | 額定速度 | 體積 | 型號 | 適宜的斜擋圈 | ||||||
| 動態(tài) | 靜態(tài) | 參照速度 | 限制速度 | 型號 | ||||||||
| d | D | B | C | C0 | Pu | * - SKF Explorer 軸承 | ||||||
|
|
||||||||||||
| mm | kN | kN | r/min | kg | - | - | ||||||
|
|
||||||||||||
| 55 | 120 | 29 | 156 | 143 | 18,6 | 6000 | 7000 | 1,50 | NJ 311 ECJ * | HJ 311 EC | ||
E33008J軸承 HC71920-E-T-P4S軸承 7040AC/DF軸承 920RV1211軸承 NU424軸承 61922RZ軸承 CFES6R軸承 7002C/DT軸承 N224M軸承 6214/HC5C3軸承 NK14/16軸承 7238B軸承 PAK1-1/4-206軸承 NJ234E.M1軸承 657/653軸承 23936CCK/W33軸承 6221-2Z軸承 FWF-606620軸承 SNL205軸承 S6000-2RSR軸承