
作為傳統(tǒng)的進口軸承代理商,鼎力晟業(yè)以廣州為基地,全方位展開與SKF公司的合作,為本地SKF NJ2215ECML軸承提供強大的貨源支持,并迅速推廣到全國各地,經過多年的努力,NJ2215ECML軸承已成為我們的主導產品之一。
型號:NJ2215ECML
品牌:SKF
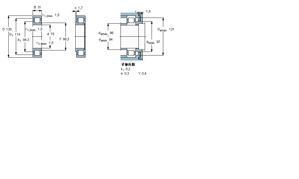
內徑:75
外徑:130
厚度:31
系列:圓柱滾子軸承, 單列, NJ 設計
【
手機版 NJ2215ECML軸承
點擊量
更新日期:2021/12/28
】
電話:020-36026999 傳真:020-36705678 服務熱線:18924187999 郵箱:sales@gzbearing.cn
| 圓柱滾子軸承, 單列, NJ 設計 | ||||||||||||
| 公差 , 參見文字 | ||||||||||||
| 徑向內部間隙, 圓柱型內孔 , 圓錐型內孔, 無密封件 , 參見文字 | ||||||||||||
| 推薦配合 | ||||||||||||
| 軸和軸承座公差 | ||||||||||||
|
|
||||||||||||
| 主要數據尺寸 | 基本負荷額定值 | 疲勞負荷限值 | 額定速度 | 體積 | 型號 | 適宜的斜擋圈 | ||||||
| 動態(tài) | 靜態(tài) | 參照速度 | 限制速度 | 型號 | ||||||||
| d | D | B | C | C0 | Pu | * - SKF Explorer 軸承 | ||||||
|
|
||||||||||||
| mm | kN | kN | r/min | kg | - | - | ||||||
|
|
||||||||||||
| 75 | 130 | 31 | 186 | 208 | 27 | 5600 | 6000 | 1,60 | NJ 2215 ECML * | - | ||
K64X70X16軸承 K75x83x23軸承 6020-2RS軸承 NU2092ECMA軸承 GIR6-UK軸承 K8×11×10軸承 6208NR軸承 1305K軸承 4T-13889/13830軸承 5212ZZ軸承 QJ211-TVP軸承 NKX50Z軸承 378DE/372A軸承 1306-K-TVH-C3軸承 GIKSL20-PS軸承 N221E.TVP2軸承 694軸承 QJ208軸承 469軸承 NUP2215-E-TVP2軸承