
鼎力晟業(yè)是SKF進口軸承代理商,不僅為工業(yè)配套用戶提供SKF 6002-2RSLTN9/HC5C3WT軸承,在維修市場也提供足夠的支持,是SKF軸承在國內的優(yōu)質經銷商之一,購買SKF 6002-2RSLTN9/HC5C3WT軸承,鼎力晟業(yè)是您放心的選擇。
型號:6002-2RSLTN9/HC5C3WT
品牌:SKF
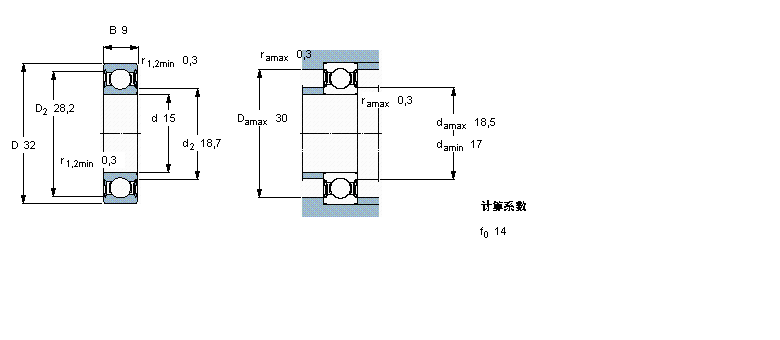
內徑:15
外徑:32
厚度:9
系列:深溝球軸承, 單列陶瓷混合軸承, 低摩擦兩面密封件
【
手機版 6002-2RSLTN9/HC5C3WT軸承
點擊量
更新日期:2021/12/28
】
電話:020-36026999 傳真:020-36705678 服務熱線:18924187999 郵箱:sales@gzbearing.cn
| 深溝球軸承, 單列陶瓷混合軸承, 低摩擦兩面密封件 | ||||||||||
| 公差, 參見文字 | ||||||||||
| 徑向內部游隙 , 參見文字 | ||||||||||
| 推薦配合 | ||||||||||
| 軸和軸承座公差 | ||||||||||
|
|
||||||||||
| 主要數據尺寸 | 基本負荷額定值 | 疲勞負荷限值 | 額定速度 | 體積 | 型號 | |||||
| 動態(tài) | 靜態(tài) | 參照速度 | 限制速度 | |||||||
| d | D | B | C | C0 | Pu | |||||
|
|
||||||||||
| mm | kN | kN | r/min | kg | - | |||||
|
|
||||||||||
| 15 | 32 | 9 | 5,85 | 2,85 | 0,12 | 63000 | 43000 | 0,030 | 6002-2RSLTN9/HC5C3WT | |
61809-Z軸承 23160CCK/W33+OH3160H軸承 BCE107軸承 7030DB軸承 B71901-C-2RSD-T-P4S軸承 NKJ85/36A軸承 PWKR90-2RS軸承 7222C/DB軸承 21310C軸承 2201ETN9軸承 HSS71922E.T.P4S.UL軸承 623軸承 64450/64701X軸承 PWM404830軸承 HCB71921-C-2RSD-T-P4S軸承 CSEC055軸承 2314K軸承 NUTR1747A軸承 32232-A軸承 5566軸承