
SKF 4308ATN9軸承是鼎力晟業(yè)長期代理的產品,鼎力晟業(yè)與SKF公司具有長期的4308ATN9軸承采購計劃,可以為國內用戶提供足夠數量的SKF 4308ATN9軸承,讓您的工廠無憂運轉。
型號:4308ATN9
品牌:SKF
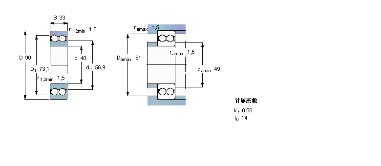
內徑:40
外徑:90
厚度:33
系列:深溝球軸承, 雙列
【
手機版 4308ATN9軸承
點擊量
更新日期:2021/12/28
】
電話:020-36026999 傳真:020-36705678 服務熱線:18924187999 郵箱:sales@gzbearing.cn
| 深溝球軸承, 雙列 | ||||||||||
| 公差 , 參見文字 | ||||||||||
| 徑向內部游隙 , 參見文字 | ||||||||||
| 推薦配合 | ||||||||||
| 軸和軸承座公差 | ||||||||||
|
|
||||||||||
| 主要數據尺寸 | 尺寸 [英寸] | 疲勞負荷限值 | 額定速度 | 體積 | 型號 | |||||
| 動態(tài) | 靜態(tài) | 參照速度 | 限制速度 | |||||||
| d | D | B | C | C0 | Pu | |||||
|
|
||||||||||
| mm | kN | kN | r/min | kg | - | |||||
|
|
||||||||||
| 40 | 90 | 33 | 55,9 | 45 | 1,9 | 12000 | 6700 | 0,95 | 4308 ATN9 | |
NNU4992B/SPW33軸承 1205K軸承 6220RS軸承 22210EAE4軸承 6207LB軸承 EGB9560-E40軸承 NJ210EC軸承 7202BDB軸承 PHE20軸承 NJ321E軸承 71913CD軸承 5213A-2NS軸承 23160-2CS5/VT143軸承 QJ313軸承 YB2016軸承 6311-ZN軸承 58FC42300軸承 3579/3525-B軸承 TLA2020UU軸承 22232-E1-K+AH3132A軸承