
SKF 32310J2/Q軸承是鼎力晟業(yè)長期代理的產品,鼎力晟業(yè)與SKF公司具有長期的32310J2/Q軸承采購計劃,可以為國內用戶提供足夠數量的SKF 32310J2/Q軸承,讓您的工廠無憂運轉。
型號:32310J2/Q
品牌:SKF
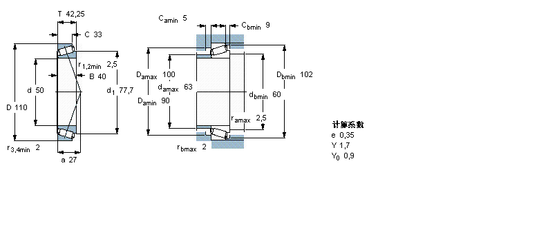
內徑:50
外徑:110
厚度:42.25
系列:圓錐滾子軸承, 單列, 公制軸承
【
手機版 32310J2/Q軸承
點擊量
更新日期:2021/12/28
】
電話:020-36026999 傳真:020-36705678 服務熱線:18924187999 郵箱:sales@gzbearing.cn
| 圓錐滾子軸承, 單列, 公制軸承 | ||||||||||
| 公差 , 參見文字 | ||||||||||
| 推薦配合 | ||||||||||
| 軸和軸承座公差 | ||||||||||
|
|
||||||||||
| 主要數據尺寸 | 基本負荷額定值 | 疲勞負荷限值 | 額定速度 | 體積 | 型號 | |||||
| 動態(tài) | 靜態(tài) | 參照速度 | 限制速度 | |||||||
| d | D | T | C | C0 | Pu | |||||
|
|
||||||||||
| mm | kN | kN | r/min | kg | - | |||||
|
|
||||||||||
| 50 | 110 | 42,25 | 172 | 212 | 24 | 4300 | 6300 | 1,80 | 32310 J2/Q | |
24136-E1軸承 PNA20/42軸承 NU312ECP軸承 32208A軸承 F-4516軸承 6918DD軸承 RAE50-NPP-B軸承 YET203軸承 DL65軸承 24024EX1K30軸承 RCJTY1-3/8軸承 369A/362A軸承 CR19X32X7HMSA10RG軸承 619/9-2Z軸承 PBY25軸承 NU426E.M1軸承 NKI17/16軸承 6806軸承 6212-2Z/VA201軸承 LSL192356-TB軸承