
我們不僅提供SKF 23992CA/W33軸承,還提供SKF品牌的其他品牌產品,以及SKF 23992CA/W33軸承的替換型號,萬千種型號,任您選擇。
型號:23992CA/W33
品牌:SKF
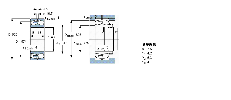
內徑:460
外徑:620
厚度:118
系列:球面滾子軸承, 圓柱和圓錐孔, 圓柱型內孔, 無密封件
【
手機版 23992CA/W33軸承
點擊量
更新日期:2021/12/28
】
電話:020-36026999 傳真:020-36705678 服務熱線:18924187999 郵箱:sales@gzbearing.cn
| 球面滾子軸承, 圓柱和圓錐孔, 圓柱型內孔, 無密封件 | ||||||||||
| 公差 , 參見文字 | ||||||||||
| 徑向內部間隙, 圓柱型內孔 , 圓錐型內孔, 無密封件 , 參見文字 | ||||||||||
| 推薦配合 | ||||||||||
| 軸和軸承座公差 | ||||||||||
|
|
||||||||||
| 主要數據尺寸 | 基本負荷額定值 | 疲勞負荷限值 | 額定速度 | 體積 | 型號 | |||||
| 動態(tài) | 靜態(tài) | 參照速度 | 限制速度 | |||||||
| d | D | B | C | C0 | Pu | * - SKF Explorer 軸承 | ||||
|
|
||||||||||
| mm | kN | kN | r/min | kg | - | |||||
|
|
||||||||||
| 460 | 620 | 118 | 2500 | 5000 | 355 | 600 | 1000 | 105 | 23992 CA/W33 * | |
22352EW33軸承 7200DB軸承 32210JR軸承 K81122-TV軸承 GE40EC-2RS軸承 6002-RZ軸承 BEAM030080-2Z軸承 6311NR軸承 22232CD軸承 RAT40軸承 6311軸承 22228-2CS5/VT143軸承 23134EW33軸承 3382/3328軸承 150KBE031+L軸承 6007NR軸承 53414U軸承 7013CDT軸承 NN3028軸承 S71918CD/HCP4A軸承