
SKF進口軸承代理鼎力晟業(yè)為用戶提供高品質的232/670CA/W33軸承,無論是工業(yè)配套還是維修市場,用戶都可以在這里找到貨期最短的SKF 232/670CA/W33軸承,確保您的不間斷生產。
型號:232/670CA/W33
品牌:SKF
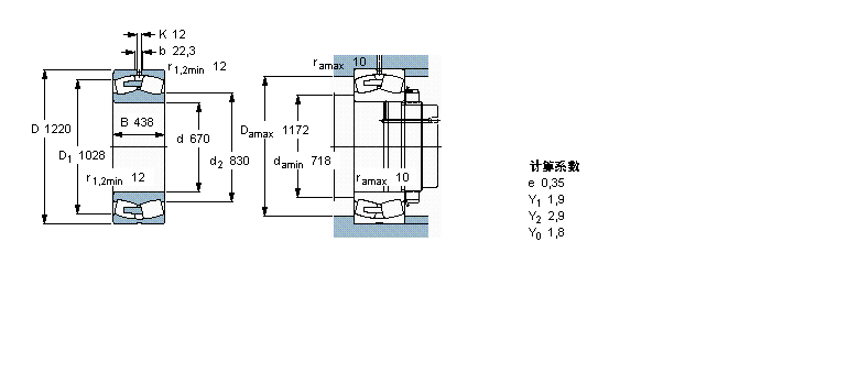
內徑:670
外徑:1220
厚度:438
系列:球面滾子軸承, 圓柱和圓錐孔, 圓柱型內孔, 無密封件
【
手機版 232/670CA/W33軸承
點擊量
更新日期:2021/12/28
】
電話:020-36026999 傳真:020-36705678 服務熱線:18924187999 郵箱:sales@gzbearing.cn
| 球面滾子軸承, 圓柱和圓錐孔, 圓柱型內孔, 無密封件 | ||||||||||
| 公差 , 參見文字 | ||||||||||
| 徑向內部間隙, 圓柱型內孔 , 圓錐型內孔, 無密封件 , 參見文字 | ||||||||||
| 推薦配合 | ||||||||||
| 軸和軸承座公差 | ||||||||||
|
|
||||||||||
| 主要數據尺寸 | 基本負荷額定值 | 疲勞負荷限值 | 額定速度 | 體積 | 型號 | |||||
| 動態(tài) | 靜態(tài) | 參照速度 | 限制速度 | |||||||
| d | D | B | C | C0 | Pu | |||||
|
|
||||||||||
| mm | kN | kN | r/min | kg | - | |||||
|
|
||||||||||
| 670 | 1220 | 438 | 15400 | 30500 | 1700 | 220 | 360 | 2270 | 232/670 CA/W33 | |
47T986339B軸承 BK6020軸承 52224軸承 7007ADB軸承 7314AC/DT軸承 6408NR軸承 15113/15250軸承 C3148K/HA3C4軸承 PWM200220250軸承 7310BEGAY軸承 6007N軸承 CF8BR軸承 RASEY20-JIS軸承 6036軸承 5204軸承 IR28x32x17軸承 4388/4335軸承 7308B.UO軸承 NAS5030UUNR軸承 RTL16軸承