
SKF 23034CCK/W33軸承是鼎力晟業(yè)長期代理的產品,鼎力晟業(yè)與SKF公司具有長期的23034CCK/W33軸承采購計劃,可以為國內用戶提供足夠數量的SKF 23034CCK/W33軸承,讓您的工廠無憂運轉。
型號:23034CCK/W33
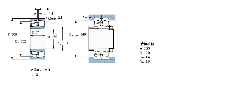
品牌:SKF
內徑:170
外徑:260
厚度:67
系列:球面滾子軸承, 圓柱和圓錐孔, 圓錐型內孔, 無密封件
【
手機版 23034CCK/W33軸承
點擊量
更新日期:2021/12/28
】
電話:020-36026999 傳真:020-36705678 服務熱線:18924187999 郵箱:sales@gzbearing.cn
| 球面滾子軸承, 圓柱和圓錐孔, 圓錐型內孔, 無密封件 | ||||||||||
| 公差 , 參見文字 | ||||||||||
| 徑向內部間隙, 圓柱型內孔 , 圓錐型內孔, 無密封件 , 參見文字 | ||||||||||
| 推薦配合 | ||||||||||
| 軸和軸承座公差 | ||||||||||
|
|
||||||||||
| 主要數據尺寸 | 基本負荷額定值 | 疲勞負荷限值 | 額定速度 | 體積 | 型號 | |||||
| 動態(tài) | 靜態(tài) | 參照速度 | 限制速度 | |||||||
| d | D | B | C | C0 | Pu | * - SKF Explorer 軸承 | ||||
|
|
||||||||||
| mm | kN | kN | r/min | kg | - | |||||
|
|
||||||||||
| 170 | 260 | 67 | 710 | 1060 | 100 | 2200 | 2800 | 12,6 | 23034 CCK/W33 * | |
GEH12C軸承 H3034軸承 5208NR軸承 NU232-E-M1軸承 51103V/HR22T2軸承 XSA140644-N軸承 TASE20-N軸承 22205HK軸承 2×7308BEGBM軸承 B71904C.O軸承 27690/27620-B軸承 7040CD/DB軸承 B7212C.T.P4S.UL軸承 W627軸承 E-M224749D/M224710/M224710D軸承 BE25軸承 7014CDT軸承 22308-E1軸承 SALA45TXE-2LS軸承 6013軸承