
作為傳統(tǒng)的進口軸承代理商,鼎力晟業(yè)以廣州為基地,全方位展開與SKF公司的合作,為本地SKF 2205E-2RS1TN9/W64軸承提供強大的貨源支持,并迅速推廣到全國各地,經過多年的努力,2205E-2RS1TN9/W64軸承已成為我們的主導產品之一。
型號:2205E-2RS1TN9/W64
品牌:SKF
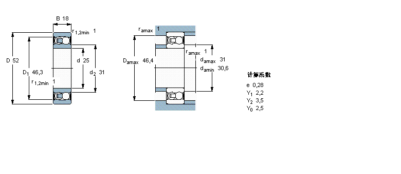
內徑:25
外徑:52
厚度:18
系列:自調心球軸承, 含Solid Oil, 兩面密封件
【
手機版 2205E-2RS1TN9/W64軸承
點擊量
更新日期:2021/12/28
】
電話:020-36026999 傳真:020-36705678 服務熱線:18924187999 郵箱:sales@gzbearing.cn
| 自調心球軸承, 含Solid Oil, 兩面密封件 | |||||||||
| 公差 , 參見文字 | |||||||||
| 徑向內部游隙 , 參見文字 | |||||||||
| 推薦配合 | |||||||||
| 軸和軸承座公差 | |||||||||
|
|
|||||||||
| 主要數據尺寸 | 基本負荷額定值 | 疲勞負荷限值 | 限制速度 | 體積 | 型號 | ||||
| 動態(tài) | 靜態(tài) | ||||||||
| d | D | B | C | C0 | Pu | ||||
|
|
|||||||||
| mm | kN | kN | r/min | kg | - | ||||
|
|
|||||||||
| 25 | 52 | 18 | 14,3 | 4 | 0,21 | 1000 | 0,16 | 2205 E-2RS1TN9/W64 | |
NU318軸承 2780/2729軸承 BK1212軸承 YAR203-010-2F/AH軸承 FL673軸承 6306ZZ軸承 W685Z軸承 61811N軸承 CF12V軸承 LRT30033080軸承 NNU4920BK/SPW33軸承 WBC4-10ZZ軸承 619/2軸承 NAST8ZZ軸承 22260B.MB軸承 GE45CJ2軸承 EGF08095-E40軸承 22226EW33軸承 6068-M軸承 N210軸承