

OH31/710H軸承是SKF公司同時面向工業(yè)配套和維修市場的產品,磐固晟同時經銷 此兩項業(yè)務,不僅為批量采購的用戶提供優(yōu)惠的SKF OH31/710H軸承,同時也為零散采購用戶提供價格優(yōu)惠的及時供貨服務。
型號:OH31/710H
品牌:SKF
系列:緊定套
【更新日期:2016/8/3 電腦版 OH31/710H軸承】
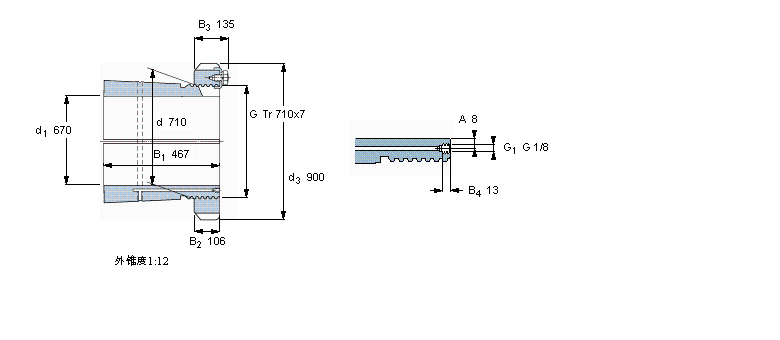
| 緊定套 | ||||||||||
|
|
||||||||||
| 尺寸 | 體積 | 型號 | ||||||||
| 緊定軸套帶螺母 | 鎖定螺母 | 鎖定裝置 | 適宜的液壓 | |||||||
| d1 | d | d3 | B1 | G | 和鎖緊裝置 | 螺母 | ||||
|
|
||||||||||
| mm | kg | - | ||||||||
|
|
||||||||||
| 670 | 710 | 900 | 467 | Tr 710x7 | 392 | OH 31/710 H | HM 31/710 | MS 31/710 | HMV 142 E | |