

SKF NUP319ECM軸承是磐固晟長期經銷 的產品,磐固晟與SKF公司具有長期的NUP319ECM軸承采購計劃,可以為國內用戶提供足夠數量的SKF NUP319ECM軸承,讓您的工廠無憂運轉。
型號:NUP319ECM
品牌:SKF
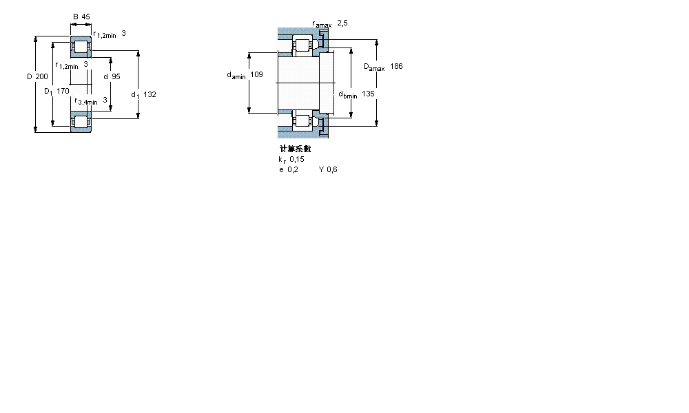
內徑:95
外徑:200
厚度:45
系列:圓柱滾子軸承, 單列, NUP 設計
【更新日期:2016/8/3 電腦版 NUP319ECM軸承】
| 圓柱滾子軸承, 單列, NUP 設計 | ||||||||||||
| 公差 , 參見文字 | ||||||||||||
| 徑向內部間隙, 圓柱型內孔 , 圓錐型內孔, 無密封件 , 參見文字 | ||||||||||||
| 推薦配合 | ||||||||||||
| 軸和軸承座公差 | ||||||||||||
|
|
||||||||||||
| 主要數據尺寸 | 基本負荷額定值 | 疲勞負荷限值 | 額定速度 | 體積 | 型號 | 適宜的斜擋圈 | ||||||
| 動態(tài) | 靜態(tài) | 參照速度 | 限制速度 | 型號 | ||||||||
| d | D | B | C | C0 | Pu | * - SKF Explorer 軸承 | ||||||
|
|
||||||||||||
| mm | kN | kN | r/min | kg | - | - | ||||||
|
|
||||||||||||
| 95 | 200 | 45 | 390 | 390 | 46,5 | 3600 | 4300 | 7,30 | NUP 319 ECM * | - | ||