

作為傳統(tǒng)的進口軸承經銷 商,磐固晟以廣州為基地,全方位展開與SKF公司的合作,為本地SKF NUP212ECM軸承提供強大的貨源支持,并迅速推廣到全國各地,經過多年的努力,NUP212ECM軸承已成為我們的主導產品之一。
型號:NUP212ECM
品牌:SKF
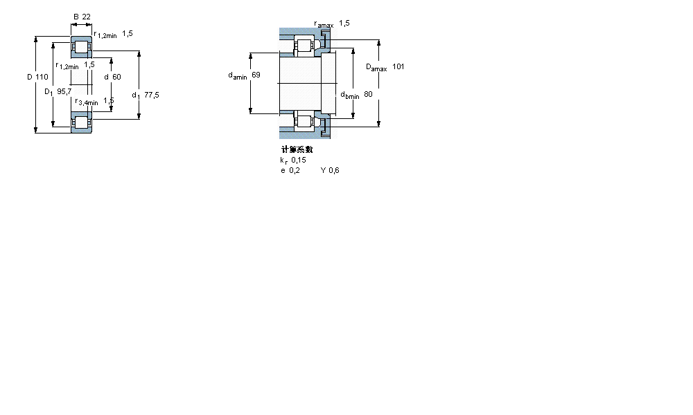
內徑:60
外徑:110
厚度:22
系列:圓柱滾子軸承, 單列, NUP 設計
【更新日期:2016/8/3 電腦版 NUP212ECM軸承】
| 圓柱滾子軸承, 單列, NUP 設計 | ||||||||||||
| 公差 , 參見文字 | ||||||||||||
| 徑向內部間隙, 圓柱型內孔 , 圓錐型內孔, 無密封件 , 參見文字 | ||||||||||||
| 推薦配合 | ||||||||||||
| 軸和軸承座公差 | ||||||||||||
|
|
||||||||||||
| 主要數據尺寸 | 基本負荷額定值 | 疲勞負荷限值 | 額定速度 | 體積 | 型號 | 適宜的斜擋圈 | ||||||
| 動態(tài) | 靜態(tài) | 參照速度 | 限制速度 | 型號 | ||||||||
| d | D | B | C | C0 | Pu | * - SKF Explorer 軸承 | ||||||
|
|
||||||||||||
| mm | kN | kN | r/min | kg | - | - | ||||||
|
|
||||||||||||
| 60 | 110 | 22 | 108 | 102 | 13,4 | 6700 | 7500 | 0,86 | NUP 212 ECM * | - | ||