

作為傳統(tǒng)的進口軸承經銷 商,磐固晟以廣州為基地,全方位展開與SKF公司的合作,為本地SKF NJ28/1000ECMP/HA1軸承提供強大的貨源支持,并迅速推廣到全國各地,經過多年的努力,NJ28/1000ECMP/HA1軸承已成為我們的主導產品之一。
型號:NJ28/1000ECMP/HA1
品牌:SKF
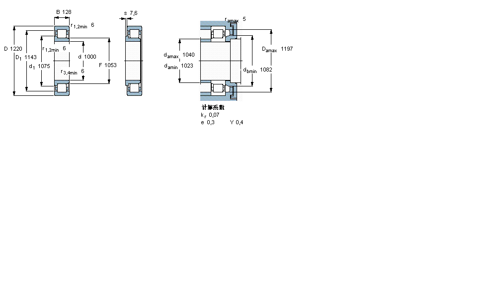
內徑:1000
外徑:1220
厚度:128
系列:圓柱滾子軸承, 單列, NJ 設計
【更新日期:2016/8/3 電腦版 NJ28/1000ECMP/HA1軸承】
| 圓柱滾子軸承, 單列, NJ 設計 | ||||||||||||
| 公差 , 參見文字 | ||||||||||||
| 徑向內部間隙, 圓柱型內孔 , 圓錐型內孔, 無密封件 , 參見文字 | ||||||||||||
| 推薦配合 | ||||||||||||
| 軸和軸承座公差 | ||||||||||||
|
|
||||||||||||
| 主要數據尺寸 | 基本負荷額定值 | 疲勞負荷限值 | 額定速度 | 體積 | 型號 | 適宜的斜擋圈 | ||||||
| 動態(tài) | 靜態(tài) | 參照速度 | 限制速度 | 型號 | ||||||||
| d | D | B | C | C0 | Pu | |||||||
|
|
||||||||||||
| mm | kN | kN | r/min | kg | - | - | ||||||
|
|
||||||||||||
| 1000 | 1220 | 128 | 3690 | 10000 | 620 | 400 | 530 | 345 | NJ 28/1000 ECMP/HA1 | - | ||