

磐固晟是SKF進口軸承經銷 ,銷售SKF NJ2314ECP軸承,不僅具備價格優(yōu)勢,而且在供貨及時性、供貨能力方面具有比較優(yōu)勢,能在最短的時間內為用戶提供原裝進口的SKF NJ2314ECP軸承。
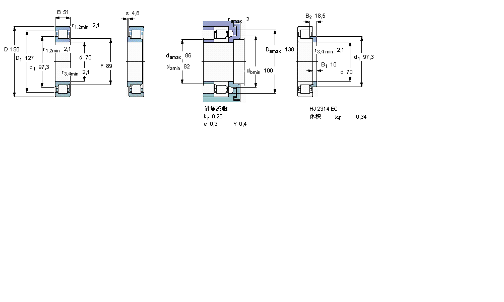
型號:NJ2314ECP
品牌:SKF
內徑:70
外徑:150
厚度:51
系列:圓柱滾子軸承, 單列, NJ 設計
【更新日期:2016/8/3 電腦版 NJ2314ECP軸承】
| 圓柱滾子軸承, 單列, NJ 設計 | ||||||||||||
| 公差 , 參見文字 | ||||||||||||
| 徑向內部間隙, 圓柱型內孔 , 圓錐型內孔, 無密封件 , 參見文字 | ||||||||||||
| 推薦配合 | ||||||||||||
| 軸和軸承座公差 | ||||||||||||
|
|
||||||||||||
| 主要數據尺寸 | 基本負荷額定值 | 疲勞負荷限值 | 額定速度 | 體積 | 型號 | 適宜的斜擋圈 | ||||||
| 動態(tài) | 靜態(tài) | 參照速度 | 限制速度 | 型號 | ||||||||
| d | D | B | C | C0 | Pu | * - SKF Explorer 軸承 | ||||||
|
|
||||||||||||
| mm | kN | kN | r/min | kg | - | - | ||||||
|
|
||||||||||||
| 70 | 150 | 51 | 315 | 325 | 41,5 | 4800 | 5600 | 4,05 | NJ 2314 ECP * | HJ 2314 EC | ||