

作為傳統(tǒng)的進口軸承經銷 商,磐固晟以廣州為基地,全方位展開與SKF公司的合作,為本地SKF FYRP3.7/16H-18軸承提供強大的貨源支持,并迅速推廣到全國各地,經過多年的努力,FYRP3.7/16H-18軸承已成為我們的主導產品之一。
型號:FYRP3.7/16H-18
品牌:SKF
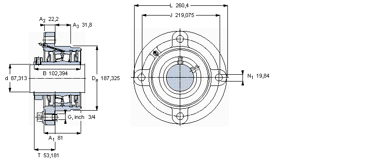
系列:帶法蘭的滾子軸承單元, 鎖定套和插口,用于英制的軸, locating units, labyrinth seals
【更新日期:2016/8/3 電腦版 FYRP3.7/16H-18軸承】
| 帶法蘭的滾子軸承單元, 鎖定套和插口,用于英制的軸, locating units, labyrinth seals | |||||||||||
|
|
|||||||||||
| 尺寸 | 尺寸 [英寸] | 限制速度 | 質量 | 型號 | 軸承,基本型號 | ||||||
| 動態(tài) | 靜態(tài) | ||||||||||
| da | A1 | J | L | T | C | C0 | |||||
|
|
|||||||||||
| mm | kN | r/min | kg | - | - | ||||||
|
|
|||||||||||
| 87,313 | 81 | 219,075 | 260,4 | 53,181 | 253 | 340 | 2600 | 13,4 | FYRP 3.7/16 H-18 | 22218 | |