

SKF BS2B243487A軸承工業(yè)配套用戶請注意:批量采購SKF BS2B243487A軸承,請至少提前一周與我們聯(lián)系,長期批量采購請?zhí)峁┠甓炔少徲媱,我們將十分感謝您的預見性,我們將提供極為優(yōu)惠的價格以保障您的權益。
型號:BS2B243487A
品牌:SKF
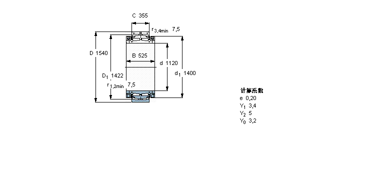
內徑:1120
外徑:1540
厚度:525
系列:球面滾子軸承, 剖分式
【更新日期:2016/8/3 電腦版 BS2B243487A軸承】
| 球面滾子軸承, 剖分式 | |||||||||
| 公差 , 參見文字 | |||||||||
| 徑向內部游隙 , 參見文字 | |||||||||
| 推薦配合, 參見文字 | |||||||||
| 軸和軸承座公差 | |||||||||
|
|
|||||||||
| 主要數據尺寸 | 基本負荷額定值 | 疲勞負荷限值 | 體積 | 型號 | |||||
| 動態(tài) | 靜態(tài) | ||||||||
| d | D | B | C | C | C0 | Pu | |||
|
|
|||||||||
| mm | kN | kN | kg | - | |||||
|
|
|||||||||
| 1120 | 1540 | 525 | 355 | 13300 | 39000 | 2120 | 2950 | BS2B 243487 A | |