

BS2B243266軸承是SKF公司同時面向工業(yè)配套和維修市場的產品,磐固晟同時經銷 此兩項業(yè)務,不僅為批量采購的用戶提供優(yōu)惠的SKF BS2B243266軸承,同時也為零散采購用戶提供價格優(yōu)惠的及時供貨服務。
型號:BS2B243266
品牌:SKF
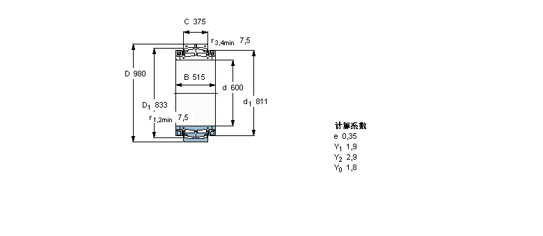
內徑:600
外徑:980
厚度:515
系列:球面滾子軸承, 剖分式
【更新日期:2016/8/3 電腦版 BS2B243266軸承】
| 球面滾子軸承, 剖分式 | |||||||||
| 公差 , 參見文字 | |||||||||
| 徑向內部游隙 , 參見文字 | |||||||||
| 推薦配合, 參見文字 | |||||||||
| 軸和軸承座公差 | |||||||||
|
|
|||||||||
| 主要數據尺寸 | 基本負荷額定值 | 疲勞負荷限值 | 體積 | 型號 | |||||
| 動態(tài) | 靜態(tài) | ||||||||
| d | D | B | C | C | C0 | Pu | |||
|
|
|||||||||
| mm | kN | kN | kg | - | |||||
|
|
|||||||||
| 600 | 980 | 515 | 375 | 10400 | 21600 | 1320 | 1350 | BS2B 243266 | |