

SKF BEAB351866軸承是磐固晟長期經銷 的產品,磐固晟與SKF公司具有長期的BEAB351866軸承采購計劃,可以為國內用戶提供足夠數量的SKF BEAB351866軸承,讓您的工廠無憂運轉。
型號:BEAB351866
品牌:SKF
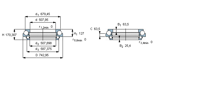
內徑:507.95
外徑:742.95
厚度:170.307
系列:角接觸推力球軸承, 雙向
【更新日期:2016/8/3 電腦版 BEAB351866軸承】
| 角接觸推力球軸承, 雙向 | |||||||||||
| 公差 | |||||||||||
| 推薦配合 | |||||||||||
| 軸和軸承座公差 | |||||||||||
|
|
|||||||||||
| 主要數據尺寸 | 基本負荷額定值 | 疲勞負荷限值 [kN] | 體積 | 型號 | |||||||
| 上軸承 | 下軸承 | 上數值 | 下數值 | ||||||||
| 動態(tài) | 靜態(tài) | 動態(tài) | 靜態(tài) | ||||||||
| d | D | H | C | C0 | C | C0 | Pu | Pu | |||
|
|
|||||||||||
| mm | kN | kN | kN | kg | - | ||||||
|
|
|||||||||||
| 507,95 | 742,95 | 170,307 | 930 | 3750 | 490 | 2800 | 64 | 44 | 190 | BEAB 351866 | |