

SKF 626/HR11QN軸承是磐固晟長期經銷 的產品,磐固晟與SKF公司具有長期的626/HR11QN軸承采購計劃,可以為國內用戶提供足夠數量的SKF 626/HR11QN軸承,讓您的工廠無憂運轉。
型號:626/HR11QN
品牌:SKF
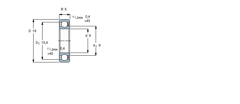
內徑:6
外徑:19
厚度:6
系列:聚合物球軸承,單列球軸承, POM/POM/glass/PA66
【更新日期:2016/8/3 電腦版 626/HR11QN軸承】
| 聚合物球軸承,單列球軸承, POM/POM/glass/PA66 | ||||||||
|
|
||||||||
| 主要數據尺寸 | 負荷能力 | 額定速度 | 體積 | 型號 | ||||
| d | D | B | 動態(tài) 1) | 靜態(tài) 2) | 最大 3) | 最大 | - | |
| 1) above 50 °C and/or above 20 % | 3) Consider load carrying | |||||||
| of max speed rating consider | capability reduction according | |||||||
| reduction according to diagram | to diagram | |||||||
| 2) above 50 °C consider | ||||||||
| reduction according to diagram | ||||||||
|
|
||||||||
| mm | kN | r/min | kg | - | ||||
|
|
||||||||
| 6 | 19 | 6 | 0,07 | 0,05 | 2600 | 0,0028 | 626/HR11QN | |