

磐固晟是SKF進口軸承經銷 商,不僅為工業(yè)配套用戶提供SKF 6217/W64軸承,在維修市場也提供足夠的支持,是SKF軸承在國內的優(yōu)質經銷商之一,購買SKF 6217/W64軸承,磐固晟是您放心的選擇。
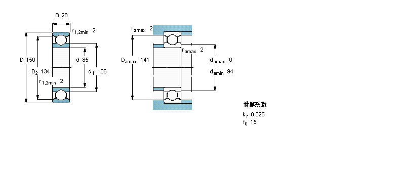
型號:6217/W64
品牌:SKF
內徑:85
外徑:150
厚度:28
系列:深溝球軸承, 單列, 含Solid Oil, 無密封件
【更新日期:2016/8/3 電腦版 6217/W64軸承】
| 深溝球軸承, 單列, 含Solid Oil, 無密封件 | |||||||||
| 公差 , 參見文字 | |||||||||
| 徑向內部游隙 , 參見文字 | |||||||||
| 推薦配合 | |||||||||
| 軸和軸承座公差 | |||||||||
|
|
|||||||||
| 主要數據尺寸 | 基本負荷額定值 | 疲勞負荷限值 | 限制速度 | 體積 | 型號 | ||||
| 動態(tài) | 靜態(tài) | ||||||||
| d | D | B | C | C0 | Pu | * - SKF Explorer 軸承 | |||
|
|
|||||||||
| mm | kN | kN | r/min | kg | - | ||||
|
|
|||||||||
| 85 | 150 | 28 | 87,1 | 64 | 2,5 | 2400 | 1,80 | 6217/W64 * | |