

53418M軸承是SKF公司同時面向工業(yè)配套和維修市場的產品,磐固晟同時經銷 此兩項業(yè)務,不僅為批量采購的用戶提供優(yōu)惠的SKF 53418M軸承,同時也為零散采購用戶提供價格優(yōu)惠的及時供貨服務。
型號:53418M
品牌:SKF
系列:推力球軸承, 單向,帶球面軸承座墊圈
【更新日期:2016/8/3 電腦版 53418M軸承】
| 推力球軸承, 單向,帶球面軸承座墊圈 | ||||||||||||
| 公差 , 參見文字 | ||||||||||||
| 推薦配合 | ||||||||||||
| 軸和軸承座公差 | ||||||||||||
|
|
||||||||||||
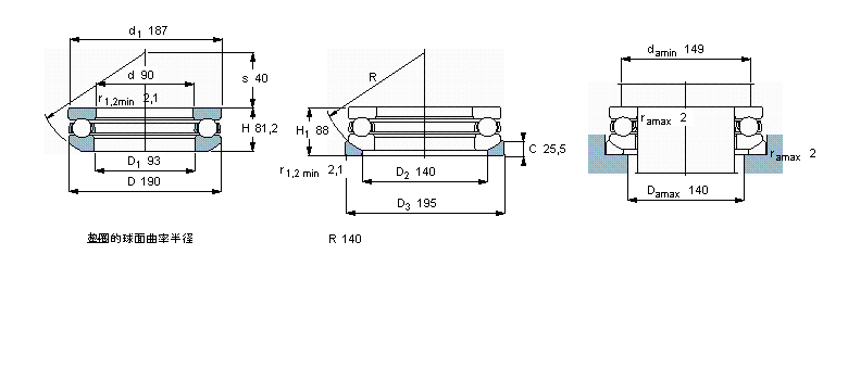
| 主要數據尺寸 | 基本負荷額定值 | 疲勞負荷限值 | 最小負荷系數 | 額定速度 | 體積 | 型號 | ||||||
| 動態(tài) | 靜態(tài) | 參照速度 | 限制速度 | 軸承 +墊圈 | 軸承 | 基座墊圈 | ||||||
| d | D | H1 | C | C0 | Pu | A | ||||||
|
|
||||||||||||
| mm | kN | kN | - | r/min | kg | - | ||||||
|
|
||||||||||||
| 90 | 190 | 88 | 307 | 815 | 25,5 | 3,5 | 1100 | 1500 | 13,0 | 53418 M | U 418 | |