

SKF 3306ATN9軸承是磐固晟長期經銷 的產品,磐固晟與SKF公司具有長期的3306ATN9軸承采購計劃,可以為國內用戶提供足夠數量的SKF 3306ATN9軸承,讓您的工廠無憂運轉。
型號:3306ATN9
品牌:SKF
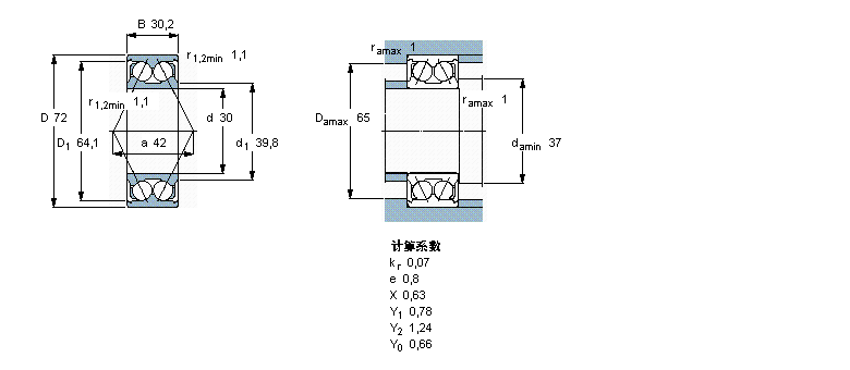
內徑:30
外徑:72
厚度:30.2
系列:角接觸球軸承, 雙列, 無密封件
【更新日期:2016/8/3 電腦版 3306ATN9軸承】
| 角接觸球軸承, 雙列, 無密封件 | ||||||||||
| 公差 , 參見文字 | ||||||||||
| 軸向內部間隙, a), b), 參見文字 | ||||||||||
| 推薦配合 | ||||||||||
| 軸和軸承座公差 | ||||||||||
|
|
||||||||||
| 主要數據尺寸 | 基本負荷額定值 | 疲勞負荷限值 | 額定速度 | 體積 | 型號 | |||||
| 動態(tài) | 靜態(tài) | 參照速度 | 限制速度 | |||||||
| d | D | B | C | C0 | Pu | * - SKF Explorer 軸承 | ||||
|
|
||||||||||
| mm | kN | kN | r/min | kg | - | |||||
|
|
||||||||||
| 30 | 72 | 30,2 | 41,5 | 27,5 | 1,16 | 9000 | 9000 | 0,53 | 3306 ATN9 * | |